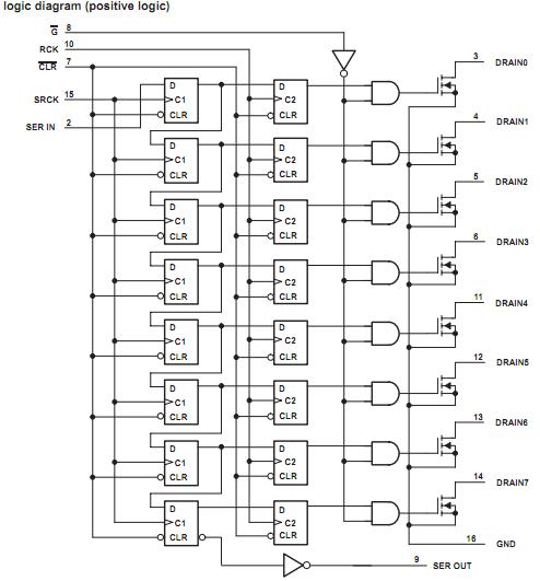
Product Summary
The TPIC6C595DR is a monolithic, medium-voltage, low-current power 8-bit shift register designed for use in systems that require relatively moderate load power such as LEDs. The TPIC6C595DR contains a built-in voltage clamp on the outputs for inductive transient protection. Power driver applications include relays, solenoids, and other low-current or medium-voltage loads.
Parametrics
TPIC6C595DR absolute maximum ratings: (1)Logic supply voltage, VCC: 7 V; (2)Logic input voltage range, VI: -0.3 V to 7 V; (3)Power DMOS drain-to-source voltage, VDS: 33 V; (4)Continuous source-to-drain diode anode current: 250 mA; (5)Pulsed source-to-drain diode anode current: 500 mA; (6)Pulsed drain current, each output, all outputs on, ID, TC = 25℃: 250 mA; (7)Continuous drain current, each output, all outputs on, ID, TC = 25℃ 100 mA; (8)Peak drain current single output, IDM,TC = 25℃: 250 mA; (9)Single-pulse avalanche energy, EAS: 30 mJ; (10)Avalanche current, IAS: 200 mA; (11)Operating virtual junction temperature range, TJ: -40 to 150℃; (12)Operating case temperature range, TC: -40 to 125℃; (13)Storage temperature range, Tstg: -65 to 150℃; (14)Lead temperature 1,6 mm (1/16 inch) from case for 10 seconds: 260℃.
Features
TPIC6C595DR features: (1)Low rDS(on): 7 Ω Typ; (2)Avalanche Energy: 30 mJ; (3)Eight Power DMOS Transistor Outputs of 100-mA Continuous Current; (4)250-mA Current: Limit Capability; (5)ESD Protection: 2500 V; (6)Output Clamp Voltage: 33 V; (7)Devices Are Cascadable; (8)Low Power Consumption.
Diagrams

| Image | Part No | Mfg | Description | ![]() |
Pricing (USD) |
Quantity | ||||||||||||
|---|---|---|---|---|---|---|---|---|---|---|---|---|---|---|---|---|---|---|
![]() |
![]() TPIC6C595DR |
![]() Texas Instruments |
![]() Counter Shift Registers 8bit Shift |
![]() Data Sheet |
![]()
|
|
||||||||||||
![]() |
![]() TPIC6C595DRG4 |
![]() Texas Instruments |
![]() Counter Shift Registers 8-BIT SHIFT REGISTER |
![]() Data Sheet |
![]()
|
|
||||||||||||
(China (Mainland))









