Product Summary
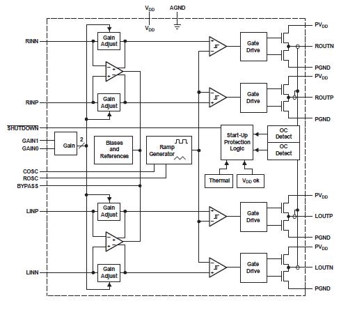
The TPA2000D2PWPR is a monolithic class-D power IC stereo audio amplifier, using the high switching speed of power MOSFET transistors. The TPA2000D2PWPR is the third generation 5-V class-D amplifier from Texas Instruments. Improvements to previous generation devices include: lower supply current, lower noise floor, better efficiency, four different gain settings, smaller packaging, and fewer external components. The most significant advancement with this device is its modulation scheme that allows the amplifier to operate without the output filter. Eliminating the output filter saves the user approximately 30% in system cost and 75% in PCB area.
Parametrics
TPA2000D2PWPR absolute maximum ratings: (1)VDD, PVDD, Supply voltage: -0.3 V to 6 V; (2)VI, Input voltage: -0.3 V to VDD+0.3 V; (3)Continuous total power dissipation: See Dissipation Rating Table; (4)TA, Operating free-air temperature range: -40 to 85℃; (5)TJ, Operating junction temperature range: -40 to 150℃; (6)Tstg, Storage temperature range: -65 to 150℃; (7)Lead temperature 1,6 mm (1/16 inch) from case for 10 seconds: 260℃.
Features
TPA2000D2PWPR features: (1)Modulation Scheme Optimized to Operate Without a Filter; (2)2 W Into 3-Ω Speakers (THD+N< 0.4%); (3)< 0.08% THD+N at 1 W, 1 kHz, Into 4-W Load; (4)Extremely Efficient Third Generation 5-V; (5)Class-D Technology: Low Supply Current (No Filter): 8 mA; Low Supply Current (Filter): 15 mA; Low Shutdown Current: 1 μA; Low Noise Floor: 56 μVRMS; Maximum Efficiency Into 3 W, 65-70%; Maximum Efficiency Into 8 W, 75-85%; 4 Internal Gain Settings: 8-23.5 dB; PSRR: -77 dB; (6)Integrated Depop Circuitry; (7)Short-Circuit Protection (Short to Battery, Ground, and Load); (8)-40℃ to 85℃ Operating Temperature Range.
Diagrams

| Image | Part No | Mfg | Description | ![]() |
Pricing (USD) |
Quantity | ||||||||||
|---|---|---|---|---|---|---|---|---|---|---|---|---|---|---|---|---|
![]() |
![]() TPA2000D2PWPR |
![]() Texas Instruments |
![]() Audio Amplifiers Stereo Filter-Free Class-D |
![]() Data Sheet |
![]()
|
|
||||||||||
![]() |
![]() TPA2000D2PWPRG4 |
![]() Texas Instruments |
![]() Audio Amplifiers Stereo Filter-Free Class-D |
![]() Data Sheet |
![]()
|
|
||||||||||
(China (Mainland))









