Product Summary
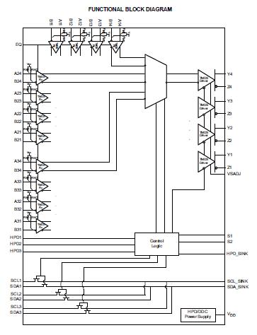
The TMDS351PAG is a 3-port digital video interface (DVI) or high-definition multimedia interface (HDMI) switch that allows up to 3 DVI or HDMI ports to be switched to a single display terminal. Four TMDS channels, one hot plug detector, and a digital display control (DDC) interface are supported on each port. Each TMDS channel supports signaling rates up to 2.5 Gbps to allow 1080p resolution in 12-bit color depth. When S1 is high and S2 is low, all input terminations are disconnected, TMDS inputs are high impedance with standard TMDS terminations, all internal MOSFETs are turned off to disable the DDC links, and all HPD outputs are connected to the HPD_SINK. The applications of the TMDS351PAG include Digital TV, Digital Projector.
Parametrics
TMDS351PAG absolute maximum ratings: (1)Supply voltage range, VCC: -0.5 to 4V; VDD: -0.5 to 4V; (2)Voltage range, Anm(3), Bnm: 2.5 V to 4 V; Ym, Zm, VSADJ, PRE, Sn, OE, HPDn: -0.5V to 4 V; SCLn, SCL_SINK, SDAn, SDA_SINK, HPD_SINK: -0.5 V to 6 V; Anm, Bnm: 5 kV; (3)Electrostatic discharge, Human body model, All pins 4 kV; Charged-device model (all pins): 1000 V; Machine model (all pins): 250 V; (4)Continuous power dissipation: See Dissipation Rating Table.
Features
TMDS351PAG features: (1)Compatible with HDMI 1.3a; (2)Supports 2.5 Gbps Signaling Rate for 480i/p, 720i/p, and 1080i/p Resolutions up to 12-Bit Color Depth; (3)Integrated Receiver Termination; (4)Selectable Receiver Equalization to Accommodate to Different Input Cable Lengths; (5)Intra-Pair Skew < 40 ps; (6)Inter-Pair Skew < 65 ps ; (7)HBM ESD Protection Exceeds 8 kV to TMDS Inputs; (8)3.3-V Fixed Supply to TMDS I/Os; (9)5-V Fixed Supply to HPD, DDC, and Source Selection Circuits; (10)64-Pin TQFP Package; (11)ROHS Compatible and 260℃ Reflow Rated.
Diagrams

| Image | Part No | Mfg | Description | ![]() |
Pricing (USD) |
Quantity | ||||||||||||
|---|---|---|---|---|---|---|---|---|---|---|---|---|---|---|---|---|---|---|
![]() |
![]() TMDS351PAG |
![]() Texas Instruments |
![]() Video Switch ICs 3-to-1 DVI/HDMI Sw |
![]() Data Sheet |
![]()
|
|
||||||||||||
![]() |
![]() TMDS351PAGG4 |
![]() Texas Instruments |
![]() Video Switch ICs 3-to-1 HDMI Switch |
![]() Data Sheet |
![]()
|
|
||||||||||||
![]() |
![]() TMDS351PAGR |
![]() Texas Instruments |
![]() Video Switch ICs 3-to-1 DVI/HDMI Sw |
![]() Data Sheet |
![]()
|
|
||||||||||||
![]() |
![]() TMDS351PAGRG4 |
![]() Texas Instruments |
![]() Video Switch ICs 3-to-1 HDMI Switch |
![]() Data Sheet |
![]()
|
|
||||||||||||
(China (Mainland))









