Product Summary
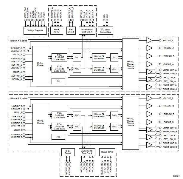
The TLV320AIC34IZASR is a low-power four-channel audio codec with four-channel headphone amplifier, as well as multiple inputs and outputs programmable in single-ended or fully differential configurations. Extensive register-based power control is included, enabling four-channel 48-kHz DAC playback as low as 15 mW from a 3.3-V analog supply, making it ideal for portable battery-powered audio and telephony applications. The applications of the TLV320AIC34IZASR include digital cameras, smart cellular phones.
Parametrics
TLV320AIC34IZASR absolute maximum ratings: (1)DRVDD to AVSS_ADC, AVDD_DAC to AVSS_DAC: -0.3 to 3.9 V; (2)DRVDD to DRVSS: -0.3 to 3.9 V; (3)IOVDD to DVSS: -0.3 to 3.9 V; (4)DVDD to DVSS: -0.3 to 2.5 V; (5)AVDD_DAC to DRVDD: -0.1 to 0.1 V; (6)Digital input voltage to DVSS: -0.3 to IOVDD + 0.3 V; (7)Analog input voltage to AVSS_ADC, AVSS_DAC: -0.3 to AVDD_DAC + 0.3 V; (8)TA, Operating temperature range: -40 to 85℃; (9)Tstg, Storage temperature range: -65 to 105℃; (10)TJ Max, Junction temperature: 105℃; (11)Power dissipation: (TJ Max -TA)/qJA; (12)θJA, Thermal impedance: TBDD ℃/W.
Features
TLV320AIC34IZASR features: (1)Four-Channel Audio DAC, 102-dBA Signal-to-Noise Ratio; 16/20/24/32-Bit Data; Supports Rates From 8 kHz to 96 kHz; 3D/Bass/Treble/EQ/De-Emphasis Effects; Flexible Power Saving Modes and Performance Are Available; (2)Four-Channel Audio ADC, 92-dBA Signal-to-Noise Ratio; Supports Rates From 8 kHz to 96 kHz; Digital Signal Processing and Noise ; (3)Filtering Available During Record; (4)Twelve Audio Inputs, Programmable in Single-Ended or Fully; (5)Differential Configurations; 3-State Capability for Floating Input Configurations; (6)Low Power: 15-mW Stereo 48-kHz Playback With 3.3-V Analog Supply; (7)Ultralow-Power Mode With Passive Analog Bypass; (8)Programmable Input/Output Analog Gains ; (9)Automatic Gain Control (AGC) for Record ; (10)Programmable Microphone Bias Level; (11)Dual Programmable PLLs for Flexible Clock Generation; (12)I2C Control Bus; (13)Dual Audio Serial Data Busses; (14)Concurrent Digital Microphone and Analog Microphone Support Available; (15)Extensive Modular Power Control; (16)Power Supplies: Analog: 2.7 V–3.6 V; Digital Core: 1.525 V–1.95 V; Digital I/O: 1.1 V–3.6 V; (17)Package: 6-mm × 6-mm 87-BGA.
Diagrams

| Image | Part No | Mfg | Description | ![]() |
Pricing (USD) |
Quantity | ||||||||||||||
|---|---|---|---|---|---|---|---|---|---|---|---|---|---|---|---|---|---|---|---|---|
![]() |
![]() TLV320AIC34IZASR |
![]() Texas Instruments |
![]() Audio CODECs Low-Pwr 4-channel CODEC |
![]() Data Sheet |
![]()
|
|
||||||||||||||
| Image | Part No | Mfg | Description | ![]() |
Pricing (USD) |
Quantity | ||||||||||||||
![]() |
![]() TLV3011 |
![]() Other |
![]() |
![]() Data Sheet |
![]() Negotiable |
|
||||||||||||||
![]() |
![]() TLV3011AIDBVR |
![]() Texas Instruments |
![]() Comparator ICs Low Power Open Drain Output |
![]() Data Sheet |
![]()
|
|
||||||||||||||
![]() |
![]() TLV3011AIDBVRG4 |
![]() Texas Instruments |
![]() Comparator ICs Lo Pwr Open Drain Output Comparator |
![]() Data Sheet |
![]()
|
|
||||||||||||||
![]() |
![]() TLV3011AIDBVT |
![]() Texas Instruments |
![]() Comparator ICs Low Power Open Drain Output |
![]() Data Sheet |
![]()
|
|
||||||||||||||
![]() |
![]() TLV3011AIDBVTG4 |
![]() Texas Instruments |
![]() Comparator ICs Low Power Open Drain Output |
![]() Data Sheet |
![]()
|
|
||||||||||||||
![]() |
![]() TLV3011AIDCKR |
![]() Texas Instruments |
![]() Comparator ICs Low Power Open Drain Output |
![]() Data Sheet |
![]()
|
|
||||||||||||||
(China (Mainland))










