Product Summary
The TLV2231IDBVT is a single low-voltage operational amplifier available in the SOT-23 package. It offers 2 MHz of bandwidth and 1.6 V/ms of slew rate for applications requiring good ac performance. The device exhibits rail-to-rail output performance for increased dynamic range in single or split supply applications. The TLV2231IDBVT is fully characterized at 3 V and 5 V and is optimized for low-voltage applications. The TLV2231IDBVT, exhibiting high input impedance and low noise, is excellent for small-signal conditioning of high-impedance sources, such as piezoelectric transducers. Because of the micropower dissipation levels combined with 3-V operation, these devices work well in hand-held monitoring and remote-sensing applications.
Parametrics
TLV2231IDBVT absolute maximum ratings: (1)Supply voltage, VDD (see Note 1): 12 V; (2)Differential input voltage, VID (see Note 2): ±VDD; (3)Input voltage range, VI (any input, see Note 1): -0.3 V to VDD; (4)Input current, II (each input): ±5 mA; (5)Output current, IO: ±50 mA; (6)Total current into VDD+: ±50 mA; (7)Total current out of VDD-: ±50 mA; (8)Duration of short-circuit current (at or below) 25℃ (see Note 3): unlimited; (9)Continuous total power dissipation: See Dissipation Rating Table; (10)Operating free-air temperature range, TA: -40℃ to 85℃; (11)Storage temperature range, Tstg: -65℃ to 150℃; (12)Lead temperature 1,6 mm (1/16 inch) from case for 10 seconds: DBV package: 260℃.
Features
TLV2231IDBVT features: (1)Output Swing Includes Both Supply Rails; (2)Low Noise: 15 nV//Hz Typ at f = 1 kHz; (3)Low Input Bias Current: 1 pA Typ; (4)Fully Specified for Single-Supply 3-V and 5-V Operation; (5)Common-Mode Input Voltage Range Includes Negative Rail; (6)High Gain Bandwidth: 2 MHz at VDD = 5 V with 600 W Load; (7)High Slew Rate: 1.6 V/ms at VDD = 5 V; (8)Wide Supply Voltage Range 2.7 V to 10 V; (9)Macromodel Included.
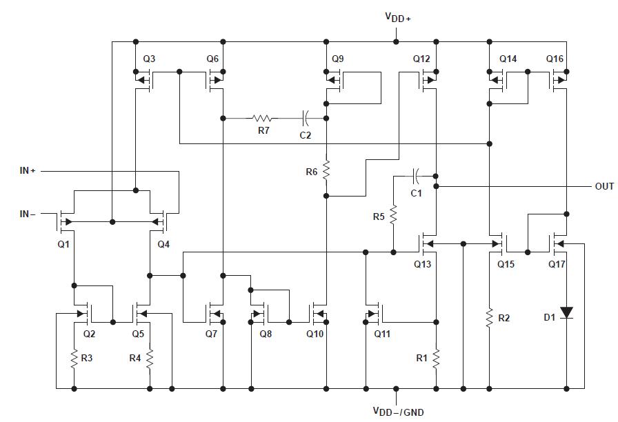
Diagrams

| Image | Part No | Mfg | Description | ![]() |
Pricing (USD) |
Quantity | ||||||||||||
|---|---|---|---|---|---|---|---|---|---|---|---|---|---|---|---|---|---|---|
![]() |
![]() TLV2231IDBVT |
![]() Texas Instruments |
![]() Operational Amplifiers - Op Amps Single LinCMOS Rail-To-Rail uPower |
![]() Data Sheet |
![]()
|
|
||||||||||||
![]() |
![]() TLV2231IDBVTG4 |
![]() Texas Instruments |
![]() Operational Amplifiers - Op Amps Single LinCMOS Rail-To-Rail uPower |
![]() Data Sheet |
![]()
|
|
||||||||||||
(China (Mainland))









