Product Summary
The TLE2021IDR is a precision, high-speed, low-power operational amplifier using a new Texas Instruments Excalibur process. The TLE2021IDR combines the best features of the OP21 with highly improved slew rate and unity-gain bandwidth. The complementary bipolar Excalibur process utilizes isolated vertical pnp transistors that yield dramatic improvement in unity-gain bandwidth and slew rate over similar devices. The addition of a bias circuit in conjunction with this process results in extremely stable parameters with both time and temperature. This means that a precision device remains a precision device even with changes in temperature and over years of use.
Parametrics
TLE2021IDR absolute maximum ratings: (1)Supply voltage, VCC+ (see Note 1): 20 V; (2)Supply voltage, VCC– (see Note 1): 20 V; (3)Differential input voltage, VID (see Note 2): ±0.6 V; (4)Input voltage range, VI (any input, see Note 1): ±VCC; (5)Input current, II (each input): ±1 mA; (6)Output current, IO (each output): TLE2021: ±20 mA; (7)Total current into VCC+: 80 mA; (8)Total current out of VCC-: 80 mA; (9)Duration of short-circuit current at (or below) 25℃ (see Note 3): unlimited.
Features
TLE2021IDR features: (1)Supply Current: 300 μA Max; (2)High Unity-Gain Bandwidth: 2 MHz Typ; (3)High Slew Rate: 0.45 V/μs Min; (4)Supply-Current Change Over Military Temp Range: 10 μA Typ at VCC ± = ± 15 V; (5)Specified for Both 5-V Single-Supply and ±15-V Operation; (6)Phase-Reversal Protection; (7)High Open-Loop Gain: 6.5 V/μV (136 dB) Typ; (8)Low Offset Voltage: 100 μV Max; (9)Offset Voltage Drift With Time 0.005 μV/mo Typ; (10)Low Input Bias Current: 50 nA Max; (11)Low Noise Voltage: 19 nV/√Hz Typ.
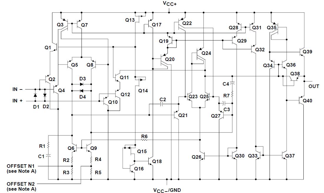
Diagrams

| Image | Part No | Mfg | Description | ![]() |
Pricing (USD) |
Quantity | ||||||||
|---|---|---|---|---|---|---|---|---|---|---|---|---|---|---|
![]() |
![]() TLE2021IDR |
![]() Texas Instruments |
![]() Operational Amplifiers - Op Amps Precision Low-Power Single Supply |
![]() Data Sheet |
![]()
|
|
||||||||
![]() |
![]() TLE2021IDRG4 |
![]() Texas Instruments |
![]() Operational Amplifiers - Op Amps Precision Low-Power Single Supply |
![]() Data Sheet |
![]()
|
|
||||||||
(China (Mainland))









