Product Summary
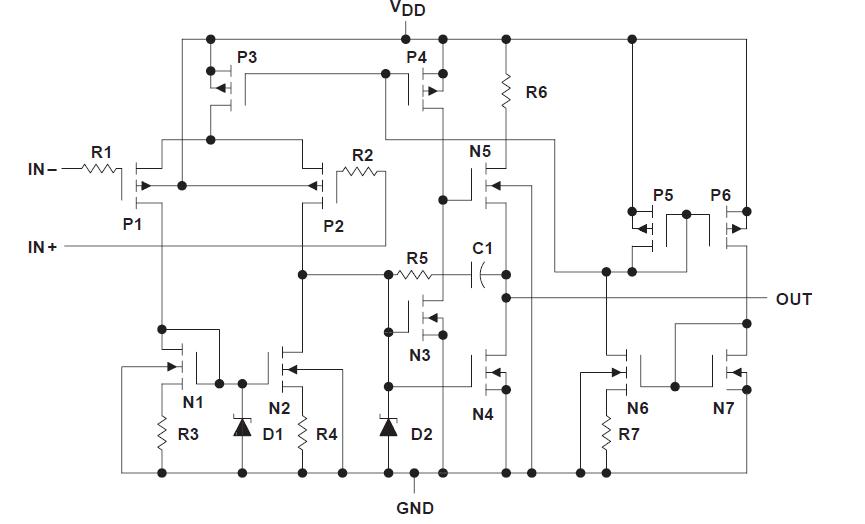
The TLC27L2ID is a dual operational amplifier combines a wide range of input offset voltage grades with low offset voltage drift, high input impedance, extremely low power, and high gain.
Parametrics
TLC27L2ID absolute maximum ratings: (1)Supply voltage, VDD (see Note 1): 18 V; (2)Differential input voltage (see Note 2): ±VDD; (3)Input voltage range, VI (any input): -0.3 V to VDD; (4)Input current, II: ±5 mA; (5)Output current, IO (each output): ±30 mA; (6)Total current into VDD: 45 mA; (7)Total current out of GND: 45 mA; (8)Duration of short-circuit current at (or below) 25℃ (see Note 3): Unlimited; (9)Continuous total dissipation: See Dissipation Rating Table; (10)Operating free-air temperature, TA: C suffix: 0℃ to 70℃; I suffix: -40℃ to 85℃; M suffix: -55℃ to 125℃; (11)Storage temperature range: -65℃ to 150℃; (12)Case temperature for 60 seconds: FK package: 260℃; (13)Lead temperature 1,6 mm (1/16 inch) from case for 10 seconds: D or P package: 260℃; (14)Lead temperature 1,6 mm (1/16 inch) from case for 60 seconds: JG package: 300℃.
Features
TLC27L2ID features: (1)Trimmed Offset Voltage: TLC27L7: 500 mV Max at 25℃, VDD = 5 V; (2)Input Offset Voltage Drift: Typically 0.1 mV/Month, including the First 30 Days; (3)Wide Range of Supply Voltages Over Specified Temperature Range:; (4)0℃ to 70℃: 3 V to 16 V; -40℃ to 85℃: 4 V to 16 V; -55℃ to 125℃: 4 V to 16 V; (5)Single-Supply Operation; (6)Common-Mode Input Voltage Range Extends Below the Negative Rail (C-Suffix, I-Suffix Types); (7)Ultra-Low Power: Typically 95 mW at 25℃, VDD = 5 V; (8)Output Voltage Range includes Negative Rail; (9)High Input Impedance: 1012 W Typ; (10)ESD-Protection Circuitry; (11)Small-Outline Package Option Also Available in Tape and Reel; (12)Designed-In Latch-Up immunity.
Diagrams

| Image | Part No | Mfg | Description | ![]() |
Pricing (USD) |
Quantity | ||||||||||||
|---|---|---|---|---|---|---|---|---|---|---|---|---|---|---|---|---|---|---|
![]() |
![]() TLC27L2ID |
![]() Texas Instruments |
![]() Operational Amplifiers - Op Amps LiNCMOS Dual |
![]() Data Sheet |
![]()
|
|
||||||||||||
![]() |
![]() TLC27L2IDG4 |
![]() Texas Instruments |
![]() Operational Amplifiers - Op Amps LiNCMOS Dual |
![]() Data Sheet |
![]()
|
|
||||||||||||
![]() |
![]() TLC27L2IDR |
![]() Texas Instruments |
![]() Operational Amplifiers - Op Amps Dual Prec Micropwr |
![]() Data Sheet |
![]()
|
|
||||||||||||
![]() |
![]() TLC27L2IDRG4 |
![]() Texas Instruments |
![]() Operational Amplifiers - Op Amps Dual Precision Single Supply uPower |
![]() Data Sheet |
![]()
|
|
||||||||||||
(China (Mainland))









