Product Summary
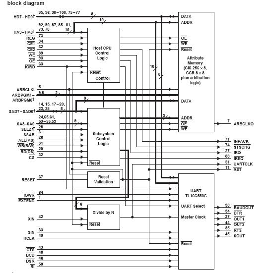
The TL16PC564BLVPZ is a pcmcia universal asynchronous receiver transmitter. The TL16PC564BLVPZ is designed to provide all the functions necessary for a Personal Computer Memory Card International Association (PCMCIA) universal asynchronous receiver transmitter (UART) subsystem interface. The TL16PC564BLVPZ provides a serial-to-parallel conversion for data to and from a modem coder-decoder/digital signal processor (CODEC/DSP) function to a PCMCIA parallel data-port format. A computer central processing unit (CPU), through a PCMCIA host controller, can read the status of the asynchronous communications element (ACE) interface at any point in the operation. Reported status information includes the type of transfer operation in process, the status of the operation, and any error conditions encountered.
Parametrics
TL16PC564BLVPZ absolute maximum ratings: (1)Supply voltage range, VCC:–0.5 V to 6 V; (2)Input voltage range, VI (standard):–0.5 V to VCC + 0.5 V; (3)Input voltage range, VI (fail safe):–0.5 V to 6.5 V; (4)Output voltage range, VO (standard):–0.5 V to VCC + 0.5 V; (5)Output voltage range, VO (fail safe):–0.5 V to 6.5 V; (6)Input clamp current, IIK (VI<0 or VI>VCC): ±20mA; (7)Output clamp current, IOK (VO<0 or VO>VCC):±20mA; (8)Operating free-air operating temperature range, TA: 0℃ to 70℃; (9)Storage temperature range, Tstg:–65℃ to 150℃.
Features
TL16PC564BLVPZ features: (1)Integrated Asynchronous Communications Element (ACE) Compatible With PCMCIA PC Card Standard Release 2.01; (2)Consists of a Single TL16C550 ACE Plus PCMCIA Interface Logic; (3)Provides Common I-Bus/Z-Bus Microcontroller Inputs for Most IntelE and ZilogE Subsystems; (4)Fully Programmable 256-Byte Card Information Structure (CIS) and 8-Byte Card Configuration Register (CCR); (5)Adds or Deletes Standard Asynchronous Communication Bits (Start, Stop and Parity) to or From Serial Data Stream; (6)Independently Controlled Transmit, Receive, Line Status, and Data Set Interrupts; (7)Subsystem Selectable Serial-Bypass Mode Provides Subsystem With Direct Parallel Access to the FIFOs; (8)Fully Prioritized Interrupt System Controls; (9)Modem Control Functions; (10)Provides TL16C450 Mode at Reset Plus Selectable Normal TL16C550 Operation or Extended 64-Byte FIFO Mode; (11)Selectable Auto-RTS Mode Deactivates RTS at 14 Bytes in 550 Mode and at 56 Bytes in Extended 550 Mode; (12)Selectable Auto-CTS Mode Deactivates Serial Transfers When CTS is Inactive; (13)Available in 100 Pin Thin Quad Flatpack (PZ) Package.
Diagrams

| Image | Part No | Mfg | Description | ![]() |
Pricing (USD) |
Quantity | ||||||||||||
|---|---|---|---|---|---|---|---|---|---|---|---|---|---|---|---|---|---|---|
![]() |
![]() TL16PC564BLVPZ |
![]() Texas Instruments |
![]() UART Interface IC PCMCIA Univ Async Receiver Transmitter |
![]() Data Sheet |
![]() Negotiable |
|
||||||||||||
| Image | Part No | Mfg | Description | ![]() |
Pricing (USD) |
Quantity | ||||||||||||
![]() |
![]() TL165X |
![]() Fluke |
![]() Test Leads STD TL SET W/LEADS PROBES,CAPS,AL CLIPS |
![]() Data Sheet |
![]() Negotiable |
|
||||||||||||
![]() |
![]() TL16C2550 |
![]() Other |
![]() |
![]() Data Sheet |
![]() Negotiable |
|
||||||||||||
![]() |
![]() TL16C2550IPFB |
![]() Texas Instruments |
![]() UART Interface IC 1.8V to 5V Dual UART |
![]() Data Sheet |
![]()
|
|
||||||||||||
![]() |
![]() TL16C2550IPFBG4 |
![]() Texas Instruments |
![]() UART Interface IC 16-byte dual-FIFO UART |
![]() Data Sheet |
![]()
|
|
||||||||||||
![]() |
![]() TL16C2550IPFBR |
![]() Texas Instruments |
![]() UART Interface IC 1.8V to 5V Dual UART |
![]() Data Sheet |
![]()
|
|
||||||||||||
![]() |
![]() TL16C2550IPFBRG4 |
![]() Texas Instruments |
![]() UART Interface IC 16-byte dual-FIFO UART |
![]() Data Sheet |
![]()
|
|
||||||||||||
(China (Mainland))










