Product Summary
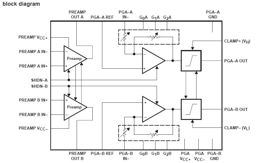
The THS7002IPWP is a high-speed programmable-gain amplifier, ideal for applications where load impedance can often vary. Each channel on the THS7002IPWP consists of a separate low-noise input preamp and a programmable gain amplifier (PGA). The preamp is a voltage-feedback amplifier offering a low 1.7-nV//Hz voltage noise with a 100-MHz (–3 dB) bandwidth. The output pin of the preamp is accessible so that filters can be easily added to the amplifier.
Parametrics
THS7002IPWP absolute maximum ratings: (1)Supply voltage, VCC: ±16.5 V; (2)Input voltage, VI: ±VCC; (3)Output current, IO (preamp): 150 mA; (4)IO (PGA): 85 mA; (5)Differential input voltage, VID: ±4 V; (6)Total continuous power dissipation at (or below) TA = 25℃ (see Note 2): THS7001: 3.83W; (7)THS7002: 4.48W; (8)Maximum junction temperature, TJ: 150℃; (9)Operating free-air temperature, TA:C-suffix: 0℃ to 70℃; (10)I-suffix:–40℃ to 85℃; (11)Storage temperature, Tstg:–65°C to 125℃; (12)Lead temperature 1,6 mm (1/16 inch) from case for 10 seconds:300℃.
Features
THS7002IPWP features: (1)Separate Low Noise Preamp and PGA Stages; (2)Shutdown Control; (3)Low Voltage Noise 1.7 nV/√ ̄Hz; (4)Accessible Output Pin for External Filtering; (5)Voltage Feedback, Gmin = –1, 2; (6)100 MHz Bandwidth (–3 dB); (7)Wide Supply Range ±4.5 V to ±16 V; (8)PowerPAD Package for Enhanced Thermal Performance.
Diagrams

| Image | Part No | Mfg | Description | ![]() |
Pricing (USD) |
Quantity | ||||||||||||
|---|---|---|---|---|---|---|---|---|---|---|---|---|---|---|---|---|---|---|
![]() |
![]() THS7002IPWP |
![]() Texas Instruments |
![]() Special Purpose Amplifiers 70-MHz Programmable- Gain Dual |
![]() Data Sheet |
![]()
|
|
||||||||||||
![]() |
![]() THS7002IPWPG4 |
![]() Texas Instruments |
![]() Special Purpose Amplifiers 70-MHz Hi-Spd Dual Prgrmbl-Gain Amp |
![]() Data Sheet |
![]()
|
|
||||||||||||
![]() |
![]() THS7002IPWPR |
![]() Texas Instruments |
![]() Operational Amplifiers - Op Amps 70-MHz Programmable- Gain Dual |
![]() Data Sheet |
![]() Negotiable |
|
||||||||||||
(China (Mainland))









