Product Summary
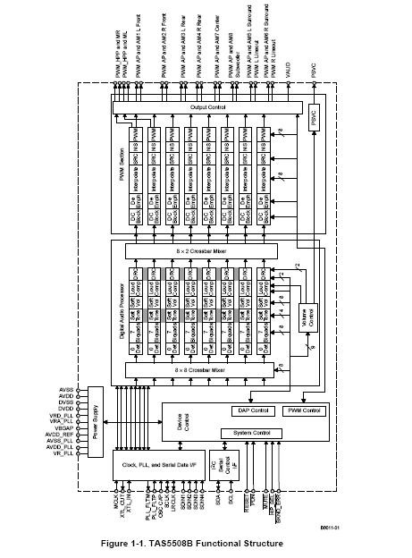
The TAS5508BPAG is an 8-channel digital pulse-width modulator (PWM) that provides both advanced performance and a high level of system integration. The TAS5508BPAG is designed to interface seamlessly with most audio digital signal processors. The TAS5508BPAG automatically adjusts control configurations in response to clock and data rate changes and idle conditions. This enables the TAS5508B to provide an easy-to-use control interface with relaxed timing requirements.
Parametrics
TAS5508BPAG absolute maximum ratings: (1)Supply voltage, DVDD and DVD_PWM: –0.3 V to 3.6 V; (2)Supply voltage, AVDD_PLL: –0.3 V to 3.6 V; (3)3.3-V digital input: –0.5 V to DVDD + 0.5 V; (4)Input voltage 5-V tolerant(2) digital input: –0.5 V to 6 V; (5)1.8-V LVCMOS(3): –0.5 V to VREF(4) + 0.5 V; (6)IIK Input clamp current (VI<0 or VI>1.8 V): ±20mA; (7)IOK Output clamp current (VO<0 or VO>1.8 V): ±20mA; (8)TA Operating free-air temperature: 0 to 70℃; (9)Tstg Storage temperature range: –65 to 150℃.
Features
TAS5508BPAG features: (1)Automated Operation With an Easy-to-Use Control Interface; (2)I2C Serial-Control Slave Interface; (3)Integrated AM Interference-Avoidance Circuitry; (4)Single, 3.3-V Power Supply; (5)64-Pin TQFP Package; (6)5-V Tolerant Inputs; (7)Audio Input/Output; (8)Audio Processing; (9)PWM Processing.
Diagrams

| Image | Part No | Mfg | Description | ![]() |
Pricing (USD) |
Quantity | ||||||||||||
|---|---|---|---|---|---|---|---|---|---|---|---|---|---|---|---|---|---|---|
![]() |
![]() TAS5508BPAG |
![]() Texas Instruments |
![]() Audio DSPs 8 Ch Digital Audio PWM Processor |
![]() Data Sheet |
![]()
|
|
||||||||||||
![]() |
![]() TAS5508BPAGG4 |
![]() Texas Instruments |
![]() Audio DSPs 8 Ch Digital Audio PWM Processor |
![]() Data Sheet |
![]()
|
|
||||||||||||
![]() |
![]() TAS5508BPAGR |
![]() Texas Instruments |
![]() Audio DSPs 8 Ch Digital Audio PWM Processor |
![]() Data Sheet |
![]()
|
|
||||||||||||
![]() |
![]() TAS5508BPAGRG4 |
![]() Texas Instruments |
![]() Audio DSPs 8 Ch Digital Audio PWM Processor |
![]() Data Sheet |
![]()
|
|
||||||||||||
(China (Mainland))









