Product Summary
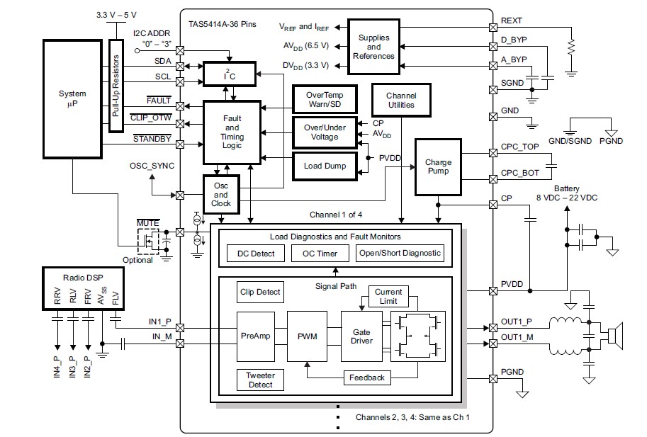
The TAS5414TDKDQ1 is a four-channel digital audio amplifier designed for use in automotive head units and external amplifier modules. The TAS5414TDKDQ1 provides four channels at 23 W continuously into 4 W at less than 1% THD+N from a 14.4-V supply. Each channel can also deliver 38 W into 2 W at 1% THD+N. The TAS5414TDKDQ1 uses single-ended analog inputs for increased immunity to common-mode system noise. The digital PWM topology of the TAS5414TDKDQ1 provides dramatic improvements in efficiency over traditional linear amplifier solutions. This reduces the power dissipated by the amplifier by a factor of ten under typical music playback conditions. High efficiency is accomplished without the need for complicated power-supply schemes. The TAS5414TDKDQ1 can be synchronized to meet high-channel-count applications.
Parametrics
TAS5414TDKDQ1 absolute maximum ratings: (1)PVDD DC supply voltage range Relative to PGND: –0.3 to 30 V; (2)PVDDMAX Pulsed supply voltage range t ≦ 100 ms exposure: –1 to 50 V; (3)PVDDRAMP Supply voltage ramp rate Voltage rising up to PVDDMAX: 25 V/ms; (4)IPVDD Externally imposed dc supply current per PVDD or PGND pin: ±12 A; (5)IPVDD_MAX Pulsed supply current per PVDD pin (one shot)t < 100 ms: 17 A; (6)IO Maximum allowed dc current per output pin: ±13.5 A; (7)IO_MAX Pulsed output current per output pin (single pulse)t < 100 ms: ±17 A; (8)IIN_MAX Maximum current, all digital and analog input pins(2)DC or pulsed: ±1 mA; (9)IMUTE_MAX Maximum current on MUTE pin DC or pulsed: ±20 mA; (10)IIN_ODMAX Maximum sinking current for open-drain pins: 7 mA; (11)TJ Maximum operating junction temperature range: –55 to 150 ℃; (12)Tstg Storage temperature range: –55 to 150 ℃; (13)T Lead temperature during soldering 1,6 mm (1/16 inch)from SOLDER case for 10 seconds: 260 ℃; (14)Power dissipation Continuous power dissipation Tcase = 70℃: 80 W.
Features
TAS5414TDKDQ1 features: (1)TAS5414A – Single-Ended Input; (2)36-Pin PSOP3 (DKD)Power SOP Package With Heat Slug Up for the TAS5414A; (3)TAS5424A – Differential Input; (4)Four-Channel Digital Power Amplifier; (5)44-Pin PSOP3 (DKD)Power SOP Package With Heat Slug Up for the TAS5424A; (6)Four Analog Inputs, Four BTL Power Outputs; (7)Typical Output Power per Channel at 10% THD+N; (8)Designed for Automotive EMC Requirements; (9)Patented AM Interference Avoidance; (10)Patented Cycle-by-Cycle Current Limit; (11)75-dB PSRR.
Diagrams

| Image | Part No | Mfg | Description | ![]() |
Pricing (USD) |
Quantity | ||||||||||||
|---|---|---|---|---|---|---|---|---|---|---|---|---|---|---|---|---|---|---|
![]() |
![]() TAS5414TDKDQ1 |
![]() Texas Instruments |
![]() Audio Amplifiers 4-Ch Auto Dig Amp |
![]() Data Sheet |
![]() Negotiable |
|
||||||||||||
![]() |
![]() TAS5414TDKDQ1G4 |
![]() Texas Instruments |
![]() Audio Amplifiers 4-Ch Auto Dig Amp |
![]() Data Sheet |
![]()
|
|
||||||||||||
(China (Mainland))









