Product Summary
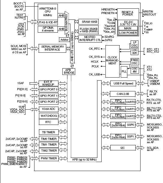
The STR750FV2T6 is an ARM7TDMI-S 32-bit MCU with Flash, SMI, 3 std 16-bit timers, PWM timer, fast 10-bit ADC, I2C, UART, SSP, USB and CAN. The STR750FV2T6 has an embedded ARM core and is therefore compatible with all ARM tools and software. It combines the high performance ARM7TDMI-STM CPU with an extensive range of peripheral functions and enhanced I/O capabilities. The STR750FV2T6 has on-chip highspeed single voltage FLASH memory and high-speed RAM.
Parametrics
STR750FV2T6 absolute maximum ratings: (1)Including VDDA_ADC and VDDA_PLL: -0.3 to 6.5V; (2)V18 - VSS18 Digital 1.8 V Supply voltage on all V18 power pins (when 1.8 V is provided externally): -0.3 to 2.0V; (3)VIN Input voltage on any pin: VSS-0.3 to VDD_IO+0.3; VSS-0.3 to; (4)VDD_IO+0.3V; (5)Variations between different 3.3 V or 5.0 V power pins: 50mV; (6)Variations between different 1.8 V power pins: 25mV; (7)Variations between all the different ground pins: 50mV.
Features
STR750FV2T6 features: (1)ARM7TDMI-S 32-bit RISC CPU; (2)54 DMIPS @ 60 MHz; (3)Clock, Reset and Supply Management; (4)Nested interrupt controller; (5)4-channel DMA controller; (6)Circular buffer management; (7)Support for UART, SSP, Timers, ADC; (8)8 Communications Interfaces; (9)10-bit A/D Converter; (10)Up to 72/38 I/O ports.
Diagrams

| Image | Part No | Mfg | Description | ![]() |
Pricing (USD) |
Quantity | ||||||||||
|---|---|---|---|---|---|---|---|---|---|---|---|---|---|---|---|---|
![]() |
![]() STR750FV2T6 |
![]() STMicroelectronics |
![]() ARM Microcontrollers (MCU) 32-BITS MICROS |
![]() Data Sheet |
![]()
|
|
||||||||||
| Image | Part No | Mfg | Description | ![]() |
Pricing (USD) |
Quantity | ||||||||||
![]() |
![]() STR7000 |
![]() Other |
![]() |
![]() Data Sheet |
![]() Negotiable |
|
||||||||||
![]() |
![]() STR7001 |
![]() Other |
![]() |
![]() Data Sheet |
![]() Negotiable |
|
||||||||||
![]() |
![]() STR710 |
![]() Other |
![]() |
![]() Data Sheet |
![]() Negotiable |
|
||||||||||
![]() |
![]() STR710-EVAL |
![]() STMicroelectronics |
![]() Development Boards & Kits - ARM STR71X Eval Board |
![]() Data Sheet |
![]()
|
|
||||||||||
![]() |
![]() STR710F |
![]() Other |
![]() |
![]() Data Sheet |
![]() Negotiable |
|
||||||||||
![]() |
![]() STR710FZ1H6 |
![]() STMicroelectronics |
![]() ARM Microcontrollers (MCU) MCU 256KB STR71x ARM7TDMI |
![]() Data Sheet |
![]()
|
|
||||||||||
(China (Mainland))










