Product Summary
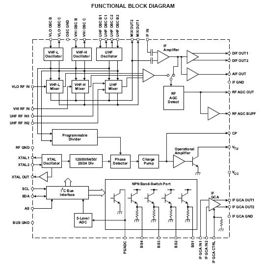
The SN761640DBTR is a low-phase-noise synthesized tuner IC designed for digital TV tuning systems. The SN761640DBTR consists of a PLL synthesizer, three-band local oscillator and mixer, RF AGC detector circuit, and IF gain-controlled amplifier. The SN761640 is available in a small-outline package. The applications of the SN761640DBTR include Digital TVs, Digital CATVs, Set-Top Boxes.
Parametrics
SN761640DBTR absolute maximum ratings: (1)VCC Supply voltage range (2) VCC: –0.4 to 6.5 V; (2)VGND Input voltage range 1 (2) RF GND, OSC GND: –0.4 to 0.4 V; (3)VTU Input voltage range 2 (2) VTU: –0.4 to 35 V; (4)VIN Input voltage range 3 (2) Other pins: –0.4 to 6.5 V; (5)PD Continuous total dissipation (3) TA≤25℃: 1438mW; (6)TA Operating free-air temperature range: –20 to 85℃; (7)Tstg Storage temperature range: –65 to 150℃; (8)TJ Maximum junction temperature: 150℃; (9)tSC(max) Maximum short-circuit time Each pin to VCC or to GND: 10s.
Features
SN761640DBTR features: (1)Integrated Mixer/Oscillator/PLL and IF GCA; (2)VHF-L, VHF-H, UHF 3-Band Local Oscillator; (3)RF AGC Detector Circuit; (4)I2C Bus Protocol Bidirectional Data Transmission; (5)High-Voltage Tuning Voltage Output; (6)Four NPN-Type Band Switch Drivers; (7)One Auxiliary Port/5-Level ADC; (8)Crystal Oscillator Output; (9)Programmable Reference Divider Ratio (24/28/32/64/80/128); (10)IF GCA Enable/Disable Control; (11)Selectable digital IFOUT and Analog IFOUT; (12)Standby Mode; (13)5-V Power Supply; (14)44-Pin Thin Shrink Small-Outline Package (TSSOP).
Diagrams

| Image | Part No | Mfg | Description | ![]() |
Pricing (USD) |
Quantity | ||||
|---|---|---|---|---|---|---|---|---|---|---|
![]() |
![]() SN761640DBTR |
![]() Texas Instruments |
![]() Tuners Dig TV Tuner IC |
![]() Data Sheet |
![]() Negotiable |
|
||||
| Image | Part No | Mfg | Description | ![]() |
Pricing (USD) |
Quantity | ||||
![]() |
![]() SN761633RTAR |
![]() Texas Instruments |
![]() RF Transceiver FM stereo radio w/ transmitter |
![]() Data Sheet |
![]() Negotiable |
|
||||
![]() |
![]() SN761640DBTR |
![]() Texas Instruments |
![]() Tuners Dig TV Tuner IC |
![]() Data Sheet |
![]() Negotiable |
|
||||
![]() |
![]() SN761662DBTRG4 |
![]() Texas Instruments |
![]() Tuners Digital TV Tuner IC |
![]() Data Sheet |
![]() Negotiable |
|
||||
![]() |
![]() SN761664DBTR |
![]() Texas Instruments |
![]() Tuners Digital TV Tuner IC |
![]() Data Sheet |
![]() Negotiable |
|
||||
![]() |
![]() SN761668DBTR |
![]() Texas Instruments |
![]() Tuners Digital TV Tuner IC |
![]() Data Sheet |
![]() Negotiable |
|
||||
![]() |
![]() SN761664DBTRG4 |
![]() Texas Instruments |
![]() Tuners Digital TV Tuner IC |
![]() Data Sheet |
![]() Negotiable |
|
||||
(China (Mainland))










