Product Summary
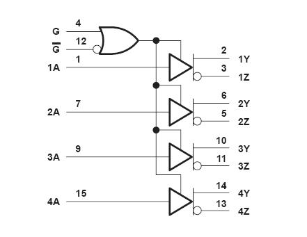
The SN65LVDS31DR is a differential line driver that implement the electrical characteristics of low-voltage differential signaling (LVDS). This signaling technique lowers the output voltage levels of 5-V differential standard levels (such as TIA/EIA-422B) to reduce the power, increase the switching speeds, and allow operation with a 3.3V supply rail. Any of the four current-mode drivers delivers a minimum differential output voltage magnitude of 247mV into a 100Ω load when enabled. The SN65LVDS31DR is characterized for operation from -40℃ to 85℃.
Parametrics
SN65LVDS31DR absolute maximum ratings: (1)Supply voltage range, VCC (see Note 1): -0.5 V to 4 V; (2)Input voltage range, VI: -0.5 V to VCC + 0.5 V; (3)Continuous total power dissipation: See Dissipation Rating Table; (4)Lead temperature 1,6 mm (1/16 inch) from case for 10 seconds: 260℃; (5)Storage temperature range, Tstg: -65 to 150℃.
Features
SN65LVDS31DR features: (1)Meet or Exceed the Requirements of ANSI TIA/EIA-644 Standard; (2)Low-Voltage Differential Signaling With Typical Output Voltage of 350 mV and ,100-Ω Load; (3)Typical Output Voltage Rise and Fall Times of 500 ps (400 Mbps); (4)Typical Propagation Delay Times of 1.7 ns; (5)Operate From a Single 3.3-V Supply; (6)Power Dissipation 25 mW Typical Per Driver at 200 MHz; (7)Driver at High Impedance When Disabled or With VCC = 0; (8)Bus-Terminal ESD Protection Exceeds 8 kV; (9)Low-Voltage TTL (LVTTL) Logic Input Levels; (10)Pin Compatible With AM26LS31, MC3487, and μA9638.
Diagrams

| Image | Part No | Mfg | Description | ![]() |
Pricing (USD) |
Quantity | ||||||||||||
|---|---|---|---|---|---|---|---|---|---|---|---|---|---|---|---|---|---|---|
![]() |
![]() SN65LVDS31DR |
![]() Texas Instruments |
![]() LVDS Interface IC Quad LVDS |
![]() Data Sheet |
![]()
|
|
||||||||||||
![]() |
![]() SN65LVDS31DRG4 |
![]() Texas Instruments |
![]() LVDS Interface IC Quad LVDS |
![]() Data Sheet |
![]()
|
|
||||||||||||
(China (Mainland))









