Product Summary
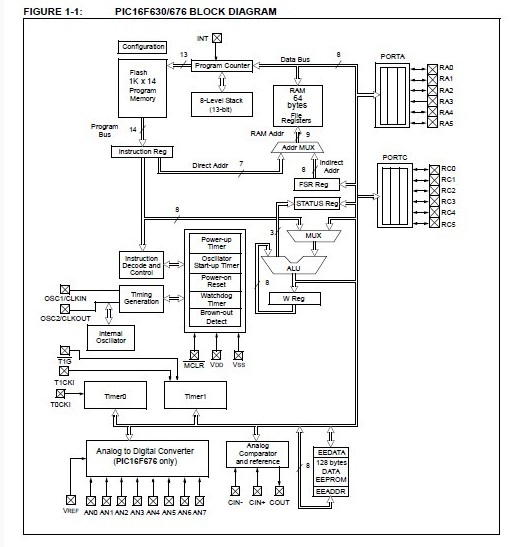
The PIC16F676-I/SL is a 14-Pin 8-Bit Flash-Based CMOS Microcontroller. The PIC16F676-I/SL is identical, except the PIC16F676 has a 10-bit A/D converter.
Parametrics
PIC16F676-I/SL absolute maximum ratings: (1)Ambient temperature under bias: -40 to +125℃; (2)Storage temperature: -65℃ to +150℃; (3)Voltage on VDD with respect to VSS: -0.3 to +6.5V; (4)Voltage on MCLR with respect to Vss: -0.3 to +13.5V; (5)Voltage on all other pins with respect to VSS: -0.3V to (VDD + 0.3V); (6)Total power dissipation: 800 mW; (7)Maximum current out of VSS pin: 300 mA; (8)Maximum current into VDD pin: 250mA; (9)Input clamp current, IIK (VI < 0 or VI > VDD): 20mA; (10)Output clamp current, IOK (Vo < 0 or Vo >VDD): 20mA; (11)Maximum output current sunk by any I/O pin: 25mA; (12)Maximum output current sourced by any I/O pin: 25mA; (13)Maximum current sunk by PORTA and PORTC (combined): 200mA; (14)Maximum current sourced PORTA and PORTC (combined): 200mA.
Features
PIC16F676-I/SL features: (1)Power-Saving Sleep mode; (2)Wide Operating Voltage Range – 2.0V to 5.5V; (3)Industrial and Extended Temperature Range; (4)Low-Power Power-on Reset (POR); (5)Power-up Timer (PWRT) and Oscillator Start-up Timer (OST); (6)Brown-out Detect (BOD); (7)Watchdog Timer (WDT) with Independent Oscillator for Reliable Operation; (8)Multiplexed MCLR/Input-pin; (9)Interrupt-on-Pin Change; (10)Individual Programmable Weak Pull-ups; (11)Programmable Code Protection.
Diagrams

| Image | Part No | Mfg | Description | ![]() |
Pricing (USD) |
Quantity | ||||||||||||
|---|---|---|---|---|---|---|---|---|---|---|---|---|---|---|---|---|---|---|
![]() |
![]() PIC16F676-I/SL |
![]() Microchip Technology |
![]() 8-bit Microcontrollers (MCU) 1.75KB 64 RAM 12 I/O Ind Temp SOIC14 |
![]() Data Sheet |
![]()
|
|
||||||||||||
![]() |
![]() PIC16F676-I/SLG |
![]() Microchip Technology |
![]() 8-bit Microcontrollers (MCU) 1.75KB 64 RAM 12 I/O Lead Free Package |
![]() Data Sheet |
![]() Negotiable |
|
||||||||||||
(China (Mainland))









