Product Summary
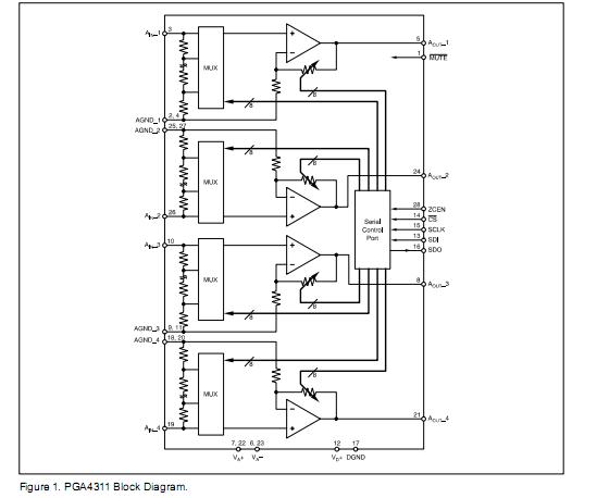
The PGA4311U is a high–performance, 4-channel audio volume control designed for professional and high-end consumer audio systems. Using high performance operational amplifier stages internal to the PGA4311U yields low noise and distortion, while providing the capability to drive 600Ω loads directly without buffering. The applications of the PGA4311U are audio amplifiers, mixing consoles, multi–track recorders, broadcast studio equipment, musical instruments, effects processors, A/V receivers, car audio systems.
Parametrics
PGA4311U absolute maximum ratings: (1)Supply Voltage, VA+:+5.5V; (2)VA–:–5.5V; (3)VD+:+5.5V; (4)VA+ to VD+:< ±0.3V; (5)Analog Input Voltage:0V to VA+, VA–; (6)Digital Input Voltage:–0.3V to VD+; (7)Operating Temperature Range:–40℃ to +85℃; (8)Storage Temperature Range:–65℃ to +150℃; (9)Junction Temperature:+150℃; (10)Lead Temperature (soldering, 10s):+300℃; (11)Package Temperature (IR reflow, 10s):+235℃.
Features
PGA4311U features: (1)Four Independent Audio Channels; (2)Serial Control Interface; (3)Zero Crossing Detection; (4)Mute Function; (5)wide gain and attenuation range: +31.5dB to –95.5dB with 0.5dB Steps; (6)low noise and distortion: 120dB Dynamic Range, 0.0004% THD+N at 1kHz (U–Grade), 0.0002% THD+N at 1kHz (A–Grade); (7)noise-free level transitions; (8)low interchannel crosstalk:–130dBFS; (9)power supplies: ±5V Analog, +5V Digital; (10)available in an SOP-28 package.
Diagrams

| Image | Part No | Mfg | Description | ![]() |
Pricing (USD) |
Quantity | ||||||||||||
|---|---|---|---|---|---|---|---|---|---|---|---|---|---|---|---|---|---|---|
![]() |
![]() PGA4311U/1K |
![]() Texas Instruments |
![]() Audio Amplifiers Multich FSK/OOK CMOS RF Transceiver |
![]() Data Sheet |
![]()
|
|
||||||||||||
![]() |
![]() PGA4311U/1KG4 |
![]() Texas Instruments |
![]() Audio Amplifiers IEEE 802.15.4 RF Transceiver |
![]() Data Sheet |
![]()
|
|
||||||||||||
![]() |
![]() PGA4311UA/1K |
![]() Texas Instruments |
![]() Audio Amplifiers IEEE 802.15.4 RF Transceiver |
![]() Data Sheet |
![]() Negotiable |
|
||||||||||||
![]() |
![]() PGA4311UA/1KG4 |
![]() Texas Instruments |
![]() Audio Amplifiers IEEE 802.15.4 RF Transceiver |
![]() Data Sheet |
![]() Negotiable |
|
||||||||||||
![]() |
![]() PGA4311UAG4 |
![]() Texas Instruments |
![]() Audio Amplifiers 4-Ch +/-5V Audio Volume Control |
![]() Data Sheet |
![]()
|
|
||||||||||||
![]() |
![]() PGA4311UG4 |
![]() Texas Instruments |
![]() Audio Amplifiers 4-Ch +/-5V Audio Volume Control |
![]() Data Sheet |
![]()
|
|
||||||||||||
![]() |
![]() PGA4311U |
![]() Texas Instruments |
![]() Audio Amplifiers 4-Ch +/-5V Audio Vol Cntrl |
![]() Data Sheet |
![]()
|
|
||||||||||||
![]() |
![]() PGA4311UA |
![]() Texas Instruments |
![]() Audio Amplifiers 4-Ch +/-5V Audio Volume Control |
![]() Data Sheet |
![]()
|
|
||||||||||||
(China (Mainland))









