Product Summary
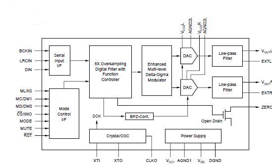
The PCM1716E is a digital-to-analog converter. It is designed for Mid to High grade Digital Audio applications which achieve 96kHz sampling rates with 24-bit audio data. The PCM1716E uses a newly developed, enhanced multi-level delta-sigma modulator architecture that improves audio dynamic performance and reduces jitter sensitivity in actual applications.
Parametrics
PCM1716E absolute maximum ratings: (1)Power Supply Voltage:+6.5V; (2)+VCC to +VDD Difference:±0.1V; (3)Input Logic Voltage:–0.3V to (VDD + 0.3V); (4)Input Current (except power supply):±10mA; (5)Power Dissipation:400mW; (6)Operating Temperature Range:–25 to +85℃; (7)Storage Temperature:–55 to +125℃; (8)Lead Temperature (soldering, 5s) :+260℃.
Features
PCM1716E features: (1)8x OVERSAMPLING DIGITAL FILTER: Stop Band Attenuation: –82dB Passband Ripple: ±0.002dB Slow Roll Off; (2)Digital De-emphasis; (3)L/R Independent Digital Attenuation; (4)Soft Mute; (5)Zero Detect Mute; (6)Zero Flag; (7)Chip Select; (8)Reversible Output Phase; (9)+5V SINGLE SUPPLY OPERATION; (10)SMALL 28-LEAD SSOP PACKAGE.
Diagrams

| Image | Part No | Mfg | Description | ![]() |
Pricing (USD) |
Quantity | ||||||||||||
|---|---|---|---|---|---|---|---|---|---|---|---|---|---|---|---|---|---|---|
![]() |
![]() PCM1716EG4 |
![]() Texas Instruments |
![]() Audio D/A Converter ICs 24-Bit 96kHz Smplg CMOS D-S Stereo DAC |
![]() Data Sheet |
![]()
|
|
||||||||||||
![]() |
![]() PCM1716E/2KG4 |
![]() Texas Instruments |
![]() Audio D/A Converter ICs 24-Bit 96kHz Smplg CMOS D-S Stereo DAC |
![]() Data Sheet |
![]()
|
|
||||||||||||
![]() |
![]() PCM1716E/2K |
![]() Texas Instruments |
![]() Audio D/A Converter ICs 24-Bit 96kHz Smplg CMOS D-S Stereo DAC |
![]() Data Sheet |
![]()
|
|
||||||||||||
![]() |
![]() PCM1716E |
![]() Texas Instruments |
![]() Audio D/A Converter ICs 24-Bit 96kHz Smplg CMOS D-S Stereo DAC |
![]() Data Sheet |
![]()
|
|
||||||||||||
(China (Mainland))









