Product Summary
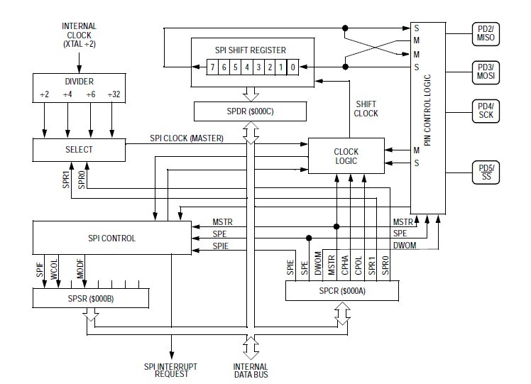
The MC705C9ACPE is a member of the low-cost, high-performance M68HC05 Family of 8 bit microcontroller units (MCU). It is based on the customer-specified integrated circuit (CSIC) design strategy. The MC705C9ACPE uses the M68HC05 central processor unit (CPU) and is available with a variety of subsystems, memory sizes and types, and package types.
Parametrics
MC705C9ACPE absolute maxing ratings: (1)Supply voltage VDD: -0.3 to +7.0 V; (2)Input voltage VIn: VSS –0.3 to VDD +0.3 V; (3)Programming voltage VPP: VDD –0.3 to 16.0; (4)Bootstrap mode (IRQ pin only) VIn: VSS – 0.3 to 2 × VDD + 0.3 V; (5)Current drain per pin excluding VDD and VSS I: 25 mA; (6)Storage temperature range TSTG: -65 to +150 ℃.
Features
MC705C9ACPE features: (1)On-chip oscillator with crystal/ceramic resonator; (2)Memory-mapped input/output (I/O); (3)Selectable memory configurations; (4)Selectable programmable and/or non-programmable computer operating properly (COP) watchdog timers; (5)Selectable port B external interrupt capability; (6)Clock monitor; (7)High current drive on pin C7 (PC7); (8)24 bidirectional I/O lines and 7 input-only lines.
Diagrams

| Image | Part No | Mfg | Description | ![]() |
Pricing (USD) |
Quantity | ||||||||||||
|---|---|---|---|---|---|---|---|---|---|---|---|---|---|---|---|---|---|---|
![]() |
![]() MC705C9ACPE |
![]() Freescale Semiconductor |
![]() 8-bit Microcontrollers (MCU) 8B MCU -705C9A-EPP |
![]() Data Sheet |
![]()
|
|
||||||||||||
| Image | Part No | Mfg | Description | ![]() |
Pricing (USD) |
Quantity | ||||||||||||
![]() |
![]() MC705B16NBE |
![]() |
![]() IC MCU 8BIT 15K OTP 56-SDIP |
![]() Data Sheet |
![]() Negotiable |
|
||||||||||||
![]() |
![]() MC705B16NCBE |
![]() |
![]() IC MCU 8BIT 15K OTP 56-SDIP |
![]() Data Sheet |
![]() Negotiable |
|
||||||||||||
![]() |
![]() MC705C8ABE |
![]() Freescale Semiconductor |
![]() 8-bit Microcontrollers (MCU) 8B MCU -705C8A-EPP |
![]() Data Sheet |
![]()
|
|
||||||||||||
![]() |
![]() MC705C8ACFBE |
![]() Freescale Semiconductor |
![]() 8-bit Microcontrollers (MCU) HCO5 CORE + 8K RAM + EP |
![]() Data Sheet |
![]()
|
|
||||||||||||
![]() |
![]() MC705C8ACBE |
![]() Freescale Semiconductor |
![]() 8-bit Microcontrollers (MCU) 8B MCU -705C8A-EPP |
![]() Data Sheet |
![]() Negotiable |
|
||||||||||||
![]() |
![]() MC705B16NCFNER |
![]() |
![]() IC MCU 8BIT 15K OTP 52-PLCC |
![]() Data Sheet |
![]() Negotiable |
|
||||||||||||
(China (Mainland))










