Product Summary
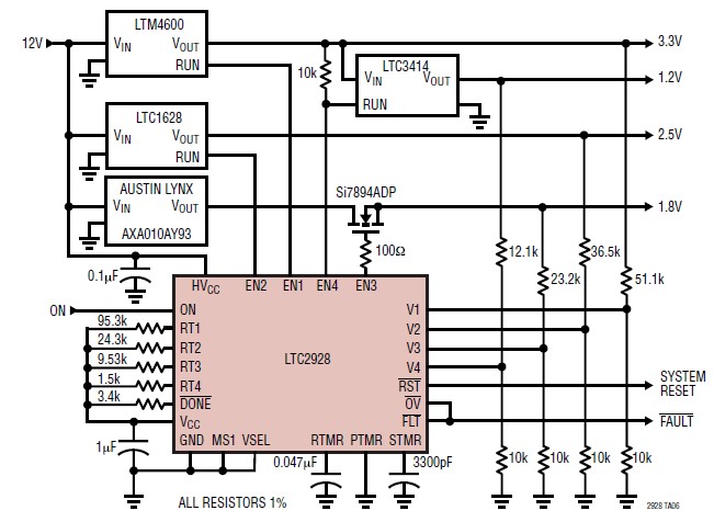
The LTC2900-1CDD#TRPBF is a four channel cascadable power supply sequencer and high accuracy supervisor. Sequencing thresholds, order and timing are configured with just a few external components, negating the need for PC board layout or software changes during system development. The LTC2900-1CDD#TRPBF may be easily connected to sequence an unlimited number of power supplies. The applications of the LTC2900-1CDD#TRPBF include: Network/Telecom Infrastructure, Sequencing for Multiple I/O and Core Voltages, Power Management.
Parametrics
LTC2900-1CDD#TRPBF absolute maximum ratings: (1)Supply Voltages HVCC: –0.3V to 18V, VCC: –0.3V to 6.5V; (2)Input Voltages V1, V2, V3, V4: –0.3V to 12V; (3)Output Voltages EN1, EN2, EN3, EN4: –0.3V to 12V, CMP1, CMP2, CMP3, CMP4: –0.3V to 6.5V; (4)RMS Currents IVCC: ±10mA, IHVCC: ±20mA, IREF: ±10mA; (5)Operating Ambient Temperature Range: 0℃ to 70℃; (6)Storage Temperature Range SSOP Package: –65℃ to 150℃, QFN Package: –65℃ to 150℃; (7)Lead Temperature (Soldering, 10 sec) SSOP Package: 300℃.
Features
LTC2900-1CDD#TRPBF features: (1)Easily Configure Power Management without Software; (2)Controls Up to Four Supplies per Device; (3)Cascades for Additional Supplies; (4)Staged Supply Sequencing with Adjustable Time Positions; (5)Fault Event Reporting with Diagnostics; (6)Selectable System Shutdown on Fault; (7)1.5% Undervoltage Monitor Accuracy; (8)Overvoltage and/or Fault Indication; (9)Configurable Undervoltage and Overvoltage Thresholds; (10)Charge Pumped Enable Pins Drive N-Channel MOSFETs; (11)Operates from 2.9V to 16.5V; (12)5mm × 7mm 38-lead QFN and 36-lead SSOP Packages.
Diagrams

| Image | Part No | Mfg | Description | ![]() |
Pricing (USD) |
Quantity | ||||||||||
|---|---|---|---|---|---|---|---|---|---|---|---|---|---|---|---|---|
![]() |
![]() LTC2900-1CDD#TRPBF |
![]() |
![]() IC MON SUPP QUAD OPEN DRN 10DFN |
![]() Data Sheet |
![]()
|
|
||||||||||
| Image | Part No | Mfg | Description | ![]() |
Pricing (USD) |
Quantity | ||||||||||
![]() |
![]() LTC201A |
![]() Other |
![]() |
![]() Data Sheet |
![]() Negotiable |
|
||||||||||
![]() |
![]() LTC201ACN |
![]() |
![]() IC SWITCH QUAD SPST 16DIP |
![]() Data Sheet |
![]()
|
|
||||||||||
![]() |
![]() LTC201ACN#PBF |
![]() |
![]() IC SWITCH QUAD SPST 16DIP |
![]() Data Sheet |
![]()
|
|
||||||||||
![]() |
![]() LTC201ACS |
![]() |
![]() IC SWITCH QUAD SPST 16SOIC |
![]() Data Sheet |
![]()
|
|
||||||||||
![]() |
![]() LTC201ACS#PBF |
![]() |
![]() IC SWITCH QUAD SPST 16SOIC |
![]() Data Sheet |
![]()
|
|
||||||||||
![]() |
![]() LTC201ACS#TR |
![]() |
![]() IC SWITCH QUAD SPST 16SOIC |
![]() Data Sheet |
![]()
|
|
||||||||||
(China (Mainland))












