Product Summary
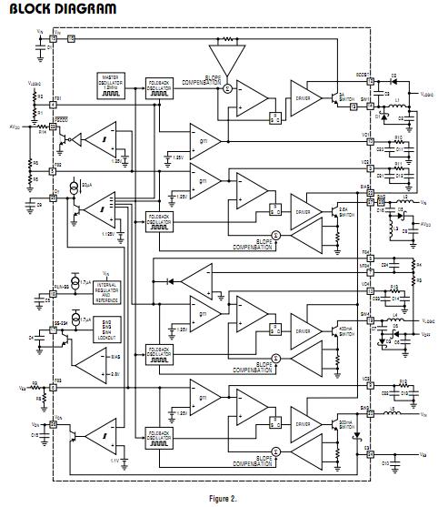
The LT1963AEST-1.5#TRPBF is an quad output adjustable switching regulator. It provides power for large TFT LCD panels. The LT1963AEST-1.5#TRPBF, housed in a low profile 28 pin thermally enhanced TSSOP package, can generate a 3.3V or 5V logic supply along with the triple output supply required for the TFT LCD panel. Operating from an input range of 4.5V to 22V, a step-down regulator provides a low voltage output VLOGIC with up to 2A current. A high-power step-up converter, a lower-power step-up converter and an inverting converter provide the three independent output voltages AVDD, VON and VOFF required by the LCD panel. A high-side PNP provides delayed turn-on of the VON signal and can handle up to 30mA. Protection circuitry ensures VON is disabled if any of the four outputs are more than 10% below normal voltage. The applications of the LT1963AEST-1.5#TRPBF include Large TFT-LCD Desktop Monitor Displays and Flat Panel Televisions.
Parametrics
LT1963AEST-1.5#TRPBF absolute maximum ratings: (1)VIN Voltage: 25V; (2)BOOST Voltage: 36V; (3)BOOST Voltage Above SW1: 25V; (4)BIAS Pin Voltage: 18V; (5)SW2, SW4 Pin Voltages: 40V; (6)SW3 Voltage: 36V; (7)FB1, FB2, FB3, FB4 Voltages: 4V; (8)NFB4 Voltage: +6V, –0.6V; (9)VC1, VC2, VC3, VC4 Pin Voltages: 6V; (10)RUN-SS, SS-234 Pin Voltages: 6V; (11)PGOOD Pin Voltage: 36V; (12)E3 Pin Voltage: 36V; (13)VON Voltage: 36V; (14)CT Pin Voltage: 6V; (15)Junction Temperature: 125℃; (16)Operating Temperature Rang:–40 to 85℃; (17)Storage Temperature Range:–65 to 150℃; (18)Lead Temperature (Soldering, 10 sec): 300℃.
Features
LT1963AEST-1.5#TRPBF features: (1)4 Integrated Switches: 2.4A Buck, 2.6A Boost, 0.35A Boost, 0.35A Inverter (Guaranteed Minimum Current Limit); (2)Fixed Frequency, Low Noise Outputs; (3)Soft Start for all Outputs; (4)Externally Programmable VON Delay; (5)Integrated Schottky Diode for VON Output; (6)PGOOD Pin for AVDD Output Disconnect; (7)4.5V to 22V Input Voltage Range; (8)PanelProtect TM Circuitry Disables VON Upon Fault; (9)Thermally Enhanced 28-Lead TSSOP.
Diagrams

| Image | Part No | Mfg | Description | ![]() |
Pricing (USD) |
Quantity | ||||||||||
|---|---|---|---|---|---|---|---|---|---|---|---|---|---|---|---|---|
![]() |
![]() LT1963AEST-1.5#TRPBF |
![]() |
![]() IC REG LDO 1.5V 1.5A SOT223-3 |
![]() Data Sheet |
![]()
|
|
||||||||||
| Image | Part No | Mfg | Description | ![]() |
Pricing (USD) |
Quantity | ||||||||||
![]() |
![]() LT1904 |
![]() Other |
![]() |
![]() Data Sheet |
![]() Negotiable |
|
||||||||||
![]() |
![]() LT1910ES8 |
![]() |
![]() IC MOSFET DRIVER HIGH-SIDE 8SOIC |
![]() Data Sheet |
![]()
|
|
||||||||||
![]() |
![]() LT1910ES8#PBF |
![]() |
![]() IC MOSFET DRIVER HIGH-SIDE 8SOIC |
![]() Data Sheet |
![]()
|
|
||||||||||
![]() |
![]() LT1910ES8#TR |
![]() |
![]() IC DRIVER MOSFET HI SIDE 8SOIC |
![]() Data Sheet |
![]()
|
|
||||||||||
![]() |
![]() LT1910ES8#TRPBF |
![]() |
![]() IC MOSFET DRIVER HIGH-SIDE 8SOIC |
![]() Data Sheet |
![]()
|
|
||||||||||
![]() |
![]() LT1910IS8#PBF |
![]() |
![]() IC MOSFET DRIVER HI-SIDE 8-SOIC |
![]() Data Sheet |
![]()
|
|
||||||||||
(China (Mainland))











