Product Summary
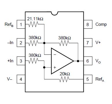
The INA117KU/2K5 is a precision unity-gain difference amplifier with very high common-mode input voltage range. It is a single monolithic IC consisting of a precision op amp and integrated thin-film resistor network. It can accurately measure small differential voltages in the presence of common-mode signals up to ±200V. The INA117KU/2K5 inputs are protected from momentary common-mode or differential overloads up to ±500V.
Parametrics
INA117KU/2K5 absolute maximum ratings: (1)Supply Voltage: ±22V; (2)Input Voltage Range, Continuous: ±200V; (3)Common-Mode and Differential, 10s: ±500V; (4)Operating Temperature: M Metal TO-99: –55 to +125℃, P Plastic DIP and U SO-8: –40 to +85℃; (5)Storage Temperature: M Package: –65 to +150℃, P Plastic DIP and U SO-8: –55 to +125℃; (6)Lead Temperature (soldering, 10s): +300℃; (7)Output Short Circuit to Common: Continuous.
Features
INA117KU/2K5 features: (1)common-mode input range: ±200V (VS = ±15V); (2)protected inputs: ±500V Common-Mode, ±500V Differential; (3)unity gain: 0.02% Gain Error max; (4)nonlinearity: 0.001% max; (5)CMRR: 86dB min.
Diagrams

| Image | Part No | Mfg | Description | ![]() |
Pricing (USD) |
Quantity | ||||||||||
|---|---|---|---|---|---|---|---|---|---|---|---|---|---|---|---|---|
![]() |
![]() INA117KU/2K5 |
![]() Texas Instruments |
![]() Differential Amplifiers High Common-Mode Voltage |
![]() Data Sheet |
![]()
|
|
||||||||||
![]() |
![]() INA117KU/2K5G4 |
![]() Texas Instruments |
![]() Differential Amplifiers High Common-Mode Voltage |
![]() Data Sheet |
![]()
|
|
||||||||||
(China (Mainland))









