Product Summary
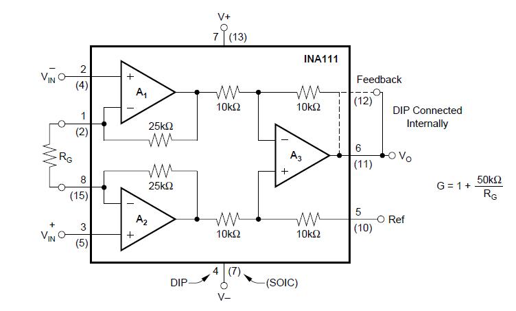
The INA111BU is a high speed, FET-input instrumentation amplifier offering excellent performance. The INA111BU uses a current-feedback topology providing extended bandwidth (2MHz at G = 10) and fast settling time (4ms to 0.01% at G = 100). A single external resistor sets any gain from 1 to over 1000. The applications of the INA111BU include medical instrumentation and data acquisition.
Parametrics
INA111BU absolute maximum ratings: (1)Supply Voltage: ±18V; (2)Input Voltage Range: (V–) –0.7V to (V+) +15V; (3)Output Short-Circuit (to ground): Continuous; (4)Operating Temperature: –40 to +125℃; (5)Storage Temperature: –40 to +125℃; (6)Junction Temperature: +150℃; (7)Lead Temperature (soldering, 10s): +300℃.
Features
INA111BU features: (1)FET input: IB = 20pA max; (2)high speed: TS = 4ms (G = 100, 0.01%); (3)low offset voltage: 500mV max; (4)low offset voltage drift: 5mV/℃ max; (5)high common-mode rejection: 106dB min; (6)8-pin plastic DIP, SOL-16 SOIC.
Diagrams

| Image | Part No | Mfg | Description | ![]() |
Pricing (USD) |
Quantity | ||||||||||||
|---|---|---|---|---|---|---|---|---|---|---|---|---|---|---|---|---|---|---|
![]() |
![]() INA111BU |
![]() Texas Instruments |
![]() Instrumentation Amplifiers High Speed FET-Input Instrumentation Amp |
![]() Data Sheet |
![]()
|
|
||||||||||||
![]() |
![]() INA111BUE4 |
![]() Texas Instruments |
![]() Instrumentation Amplifiers High Speed FET-Input Instrumentation Amp |
![]() Data Sheet |
![]()
|
|
||||||||||||
(China (Mainland))









