Product Summary
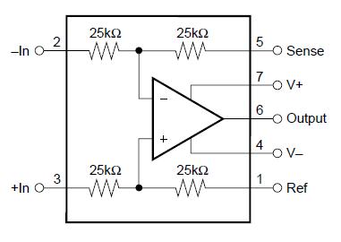
The INA105KP is a monolithic Gain = 1 differential amplifier consisting of a precision op amp and on-chip metal film resistors. The resistors are laser trimmed for accurate gain and high common-mode rejection. Excellent TCR tracking of the resistors maintains gain accuracy and common-mode rejection over temperature. The applications of the INA105KP include differential amplifier, instrumentation amplifier building block, unity-gain inverting amplifier, gain-of-1/2 amplifier, noninverting gain-of-2 amplifier, average value amplifier, absolute value amplifier, summing amplifier, synchronous demodulator, current receiver with compliance to rails, 4mA TO 20mA transmitter, voltage-controlled current source and all-pass filters.
Parametrics
INA105KP absolute maximum ratings: (1)Supply: ±18V; (2)Input Voltage Range: ±VS; (3)Operating Temperature Range: –55 to +125℃; (4)Storage Temperature Range: –65 to +150℃; (5)Lead Temperature (soldering, 10s): +300℃; (6)Wave Soldering (3s, max): +260℃; (7)Output Short Circuit to Common: Continuous.
Features
INA105KP features: (1)CMR 86dB min over temperature; (2)gain error: 0.01% max; (3)nonlinearity: 0.001% max; (4)no external adjustments required; (5)easy to use; (6)complete solution; (7)highly versatile; (8)low cost; (9)plastic DIP, TO-99 hermetic metal, and SO-8 SOIC packages.
Diagrams

| Image | Part No | Mfg | Description | ![]() |
Pricing (USD) |
Quantity | ||||||||||||
|---|---|---|---|---|---|---|---|---|---|---|---|---|---|---|---|---|---|---|
![]() |
![]() INA105KP |
![]() Texas Instruments |
![]() Differential Amplifiers Precision Unity Gain |
![]() Data Sheet |
![]()
|
|
||||||||||||
![]() |
![]() INA105KPG4 |
![]() Texas Instruments |
![]() Differential Amplifiers Precision Unity Gain |
![]() Data Sheet |
![]()
|
|
||||||||||||
(China (Mainland))









