Product Summary
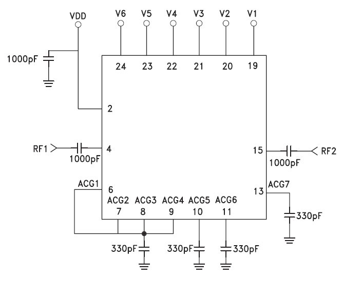
The HMC472LP4E is a 6-bit GaAs IC digital attenuator in low cost leadless surface mount packages. This single positive control line per bit digital attenuator incorporates off chip AC ground capacitors for near DC operation, making it suitable for a wide variety of RF and IF applications. Covering DC to 3.0 GHz, the insertion loss is less than 2.0 dB typical. The attenuator bit values are 0.5 (LSB), 1, 2, 4, 8, and 16 dB for a total attenuation of 31.5 dB. Attenuation accuracy is excellent at ± 0.25 dB typical step error with an IIP3 of +45 dBm. Six TTL/ CMOS control inputs are used to select each attenuation state. A single Vdd bias of +5V is required. Its applications are cellular, umts/3g infrastructure, ism, mmds, wlan, wimax, microwave radio & vsat and test equipment and sensors.
Parametrics
HMC472LP4E absolute maximum ratings: (1)RF Input Power (DC - 3.0 GHz): +27 dBm (T = +85 ℃); (2)Control Voltage Range (V1 to V6): -1V to Vdd +1V; (3)Bias Voltage (Vdd): +7.0 Vdc; (4)Channel Temperature: 150 ℃; (5)Continuous Pdiss (T = 85 ℃), (derate 7.7 mW/℃ above 85 ℃): 0.5 W; (6)Thermal Resistance: 130 ℃/W; (7)Storage Temperature: -65 to +150 ℃; (8)Operating Temperature: -40 to +85 ℃.
Features
HMC472LP4E features: (1)0.5 dB LSB Steps to 31.5 dB; (2)Single Control Line Per Bit; (3)TTL/CMOS Compatible Control; (4)+/- 0.25 dB Typical Step Error; (5)Single +5V Supply; (6)4 mm x 4 mm x 1 mm SMT Package.
Diagrams

| Image | Part No | Mfg | Description | ![]() |
Pricing (USD) |
Quantity | ||||||||||||||
|---|---|---|---|---|---|---|---|---|---|---|---|---|---|---|---|---|---|---|---|---|
![]() |
![]() HMC472LP4E |
![]() |
![]() ATTENUATOR DGTL 6BIT 24QFN |
![]() Data Sheet |
![]()
|
|
||||||||||||||
| Image | Part No | Mfg | Description | ![]() |
Pricing (USD) |
Quantity | ||||||||||||||
![]() |
![]() HMC400MS8 |
![]() Other |
![]() |
![]() Data Sheet |
![]() Negotiable |
|
||||||||||||||
![]() |
![]() HMC400MS8 / HMC400MS8E |
![]() Other |
![]() |
![]() Data Sheet |
![]() Negotiable |
|
||||||||||||||
![]() |
![]() HMC401QS16G |
![]() Other |
![]() |
![]() Data Sheet |
![]() Negotiable |
|
||||||||||||||
![]() |
![]() HMC401QS16GE |
![]() Other |
![]() |
![]() Data Sheet |
![]() Negotiable |
|
||||||||||||||
![]() |
![]() HMC402MS8 |
![]() Other |
![]() |
![]() Data Sheet |
![]() Negotiable |
|
||||||||||||||
![]() |
![]() HMC402MS8 / HMC402MS8E |
![]() Other |
![]() |
![]() Data Sheet |
![]() Negotiable |
|
||||||||||||||
(China (Mainland))









