Product Summary
The HFBR-1521Z is a fiber optic link component. It includes transmitters, receivers, connectors and cable specified for easy design. The HFBR-1521Z is ideal for solving problems with voltage isolation/insulation, EMI/RFI immunity or data security. The optical link design is simplified by the logic compatible receivers and complete specifications for each component. The applications of the HFBR-1521Z are Reduction of lightning/voltage transient susceptibility, Motor controller triggering, Data communications and local area networks, Electromagnetic Compatibility (EMC) for regulated, Tempest-secure data processing equipment, Isolation in test and measurement instruments, Error free signalling for industrial and manufacturing equipment.
Parametrics
HFBR-1521Z absolute maximum ratings: (1)Storage Temperature:-40 to +85℃; (2)Operating Temperature:-40 to +85℃; (3)Lead Soldering Cycle: Temp.: 260℃, Time:10sec; (4)Forward Input Current:1000mA; (5)Reverse Input Voltage:5V.
Features
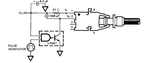
HFBR-1521Z features: (1)Low cost fiber optic components; (2)Enhanced digital links dc-5 MBd; (3)Extended distance links up to 120 m at 40 kBd; (4)Low current link: 6 mA peak supply current; (5)Horizontal and vertical mounting; (6)Interlocking feature; (7)High noise immunity; (8)Easy connectoring Simplex, Duplex, and Latching connectors; (9)Flame retardant; (10)Transmitters incorporate a 660 nm Red LED for easy visibility; (11)Compatible with standard TTL circuitry.
Diagrams

| Image | Part No | Mfg | Description | ![]() |
Pricing (USD) |
Quantity | ||||||||||||
|---|---|---|---|---|---|---|---|---|---|---|---|---|---|---|---|---|---|---|
![]() |
![]() HFBR-1521Z |
![]() Avago Technologies |
![]() Fiber Optic Transmitters, Receivers, Transceivers Versatile Link Horiz 5MBd Tx RoHS |
![]() Data Sheet |
![]()
|
|
||||||||||||
| Image | Part No | Mfg | Description | ![]() |
Pricing (USD) |
Quantity | ||||||||||||
![]() |
![]() HFBR-0310 |
![]() Avago Technologies |
![]() Fiber Optic Development Tools 155 MBd Txcvr Evaluation Kit |
![]() Data Sheet |
![]() Negotiable |
|
||||||||||||
![]() |
![]() HFBR-0310Z |
![]() Avago Technologies |
![]() Fiber Optic Development Tools 125MBd 1300nm Evaluation Kit |
![]() Data Sheet |
![]()
|
|
||||||||||||
![]() |
![]() HFBR-0319 |
![]() Avago Technologies |
![]() Fiber Optic Development Tools 1X9 Fiber Optic Evaluation Kit |
![]() Data Sheet |
![]()
|
|
||||||||||||
![]() |
![]() HFBR-0400 |
![]() Avago Technologies |
![]() Fiber Optic Development Tools SMA Fiber Optic Evaluation Kit |
![]() Data Sheet |
![]() Negotiable |
|
||||||||||||
![]() |
![]() HFBR-0410 |
![]() Avago Technologies |
![]() Fiber Optic Development Tools ST Fiber Optic Evaluation Kit |
![]() Data Sheet |
![]() Negotiable |
|
||||||||||||
![]() |
![]() HFBR-0410Z |
![]() Avago Technologies |
![]() Fiber Optic Development Tools DC-5MBd 820nm Evaluation Kit |
![]() Data Sheet |
![]()
|
|
||||||||||||
(China (Mainland))









