Product Summary
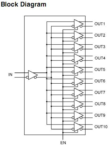
The DS90LV110ATMT/NOPB is a 1 to 10 data/clock distributor utilizing LVDS(Low Voltage Differential Signaling) technology for low power, high speed operation. The DS90LV110ATMT/NOPB can be used as a high speed differential 1 to 10 signal distribution / fanout replacing multi-drop bus applications for higher speed links with improved signal quality. It can also be used for clock distribution up to 200MHz. The DS90LV110ATMT/NOPB accepts LVDS signal levels, LVPECL levels directly or PECL with attenuation networks.
Parametrics
DS90LV110ATMT/NOPB absolute maximum ratings: (1)Supply Voltage (VDD-VSS):-0.3V to +4V; (2)LVCMOS/LVTTL Input Voltage(EN):-0.3V to (VCC + 0.3V); (3)LVDS Receiver Input Voltage(IN+, IN-):-0.3V to +4V; (4)LVDS Driver Output Voltage(OUT+, OUT-):-0.3V to +4V; (5)Junction Temperature:+150℃; (6)Storage Temperature Range:-65℃ to +150℃; (7)Lead Temperature(Soldering, 4 sec.):+260℃.
Features
DS90LV110ATMT/NOPB features: (1)Low jitter 400 Mbps fully differential data path; (2)145 ps (typ) of pk-pk jitter with PRBS = 223?1 data pattern at 400 Mbps; (3)Single +3.3 V Supply; (4)Balanced output impedance; (5)Output channel-to-channel skew is 35ps (typ); (6)Differential output voltage (VOD) is 320mV (typ) with; (7)100Ω termination load; (8)LVDS receiver inputs accept LVPECL signals; (9)LVDS input failsafe; (10)Fast propagation delay of 2.8 ns (typ); (11)Receiver open, shorted, and terminated input failsafe; (12)28 lead TSSOP package; (13)Conforms to ANSI/TIA/EIA-644 LVDS standard.
Diagrams

| Image | Part No | Mfg | Description | ![]() |
Pricing (USD) |
Quantity | ||||||||||||
|---|---|---|---|---|---|---|---|---|---|---|---|---|---|---|---|---|---|---|
![]() |
![]() DS90LV110ATMT/NOPB |
![]() National Semiconductor (TI) |
![]() LVDS Interface IC |
![]() Data Sheet |
![]()
|
|
||||||||||||
| Image | Part No | Mfg | Description | ![]() |
Pricing (USD) |
Quantity | ||||||||||||
![]() |
![]() DS9000 |
![]() Other |
![]() |
![]() Data Sheet |
![]() Negotiable |
|
||||||||||||
![]() |
![]() DS9000/NO-BRAND |
![]() |
![]() HARNESS CBL DS1217 TO 28DIP SCKT |
![]() Data Sheet |
![]() Negotiable |
|
||||||||||||
![]() |
![]() DS9002 |
![]() Other |
![]() |
![]() Data Sheet |
![]() Negotiable |
|
||||||||||||
![]() |
![]() DS9002/NO-BRAND |
![]() |
![]() HOUSING CARTRIDGE PLASTIC 2PC |
![]() Data Sheet |
![]() Negotiable |
|
||||||||||||
![]() |
![]() DS9003 |
![]() Other |
![]() |
![]() Data Sheet |
![]() Negotiable |
|
||||||||||||
![]() |
![]() DS9005 |
![]() Other |
![]() |
![]() Data Sheet |
![]() Negotiable |
|
||||||||||||
(China (Mainland))










