Product Summary
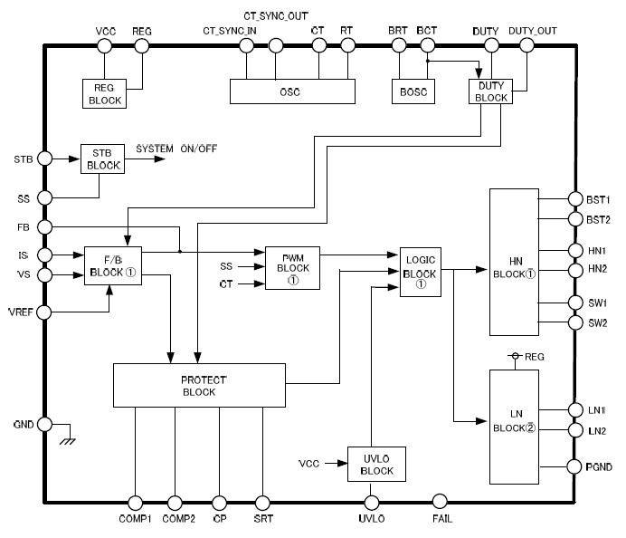
The BD9897FS-E is a DC-AC Inverter Control IC.
Parametrics
BD9897FS-E absolute maximum ratings: (1)Supply Voltage: 36V; (2)BST pin: 40V; (3)SW pin: 36V; (4)BST-SW voltage difference: 7V; (5)Operating Temperature Range: -40℃ to +85℃ (6)Storage Temperature Range: -55℃ to +150℃; (7)Maximum Junction Temperature: +150℃; (8)Power Dissipation: 950mW.
Features
BD9897FS-E features: (1)36V High voltage process; (2)1ch control with Full-Bridge; (3)Lamp current and voltage sense feed back control; (4)Sequencing easily achieved with Soft Start Control; (5)Short circuit protection with Timer Latch; (6)Under Voltage Lock Out; (7)Mode-selectable the operating or stand-by mode by stand-by pin; (8)Synchronous operating the other BD9897FS ICs; (9)BURST mode controlled by PWM and DC input; (10)Output liner Control by external DC voltage.
Diagrams

| Image | Part No | Mfg | Description | ![]() |
Pricing (USD) |
Quantity | ||||||||||||
|---|---|---|---|---|---|---|---|---|---|---|---|---|---|---|---|---|---|---|
![]() |
![]() BD9897FS-E2 |
![]() ROHM Semiconductor |
![]() Display Drivers & Controllers Invert. Cont. IC For Med-Lg Flat Panels |
![]() Data Sheet |
![]()
|
|
||||||||||||
| Image | Part No | Mfg | Description | ![]() |
Pricing (USD) |
Quantity | ||||||||||||
![]() |
![]() BD9825FV |
![]() Other |
![]() |
![]() Data Sheet |
![]() Negotiable |
|
||||||||||||
![]() |
![]() BD9833KV |
![]() Other |
![]() |
![]() Data Sheet |
![]() Negotiable |
|
||||||||||||
![]() |
![]() BD9842FV-E2 |
![]() ROHM Semiconductor |
![]() DC/DC Switching Regulators 3.6-35V 100-1500kHz 2 Chan Step-Down |
![]() Data Sheet |
![]()
|
|
||||||||||||
![]() |
![]() BD9845FV-E2 |
![]() ROHM Semiconductor |
![]() DC/DC Switching Regulators 3.6-35V 100-1500kHz 1 Chan Step-Down |
![]() Data Sheet |
![]()
|
|
||||||||||||
![]() |
![]() BD9846FV-E2 |
![]() |
![]() IC REG CTRLR BUCK PWM 20-SSOP |
![]() Data Sheet |
![]() Negotiable |
|
||||||||||||
![]() |
![]() BD9850FVM-TR |
![]() ROHM Semiconductor |
![]() DC/DC Switching Controllers STEP DOWN SWITCHING REGULATOR |
![]() Data Sheet |
![]()
|
|
||||||||||||
(China (Mainland))













