Product Summary
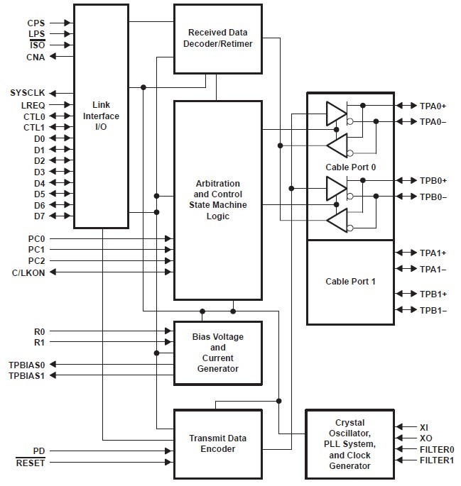
The TSB41AB2PAPR is a transceiver. The TSB41AB2PAPR provides the digital and analog transceiver functions needed to implement a two-port node in a cable-based IEEE 1394 network. The cable ports incorporate two differential line transceivers. The transceivers include circuitry to monitor the line conditions as needed for determining connection status, for initialization and arbitration, and for packet reception and transmission. The TSB41AB2PAPR is designed to interface with a link layer controller (LLC), such as the TSB12LV21, TSB12LV22, TSB12LV23, TSB12LV26, TSB12LV31, TSB12LV41, TSB12LV42, or TSB12LV01A.
Parametrics
TSB41AB2PAPR absolute maximum ratings: (1)Supply voltage range, VDD: -0.3V to 4V; (2)Input voltage range, VI: -0.5V to VDD + 0.5V; (3)Output voltage range at any output, VO: -0.5V to VDD + 0.5V; (4)Storage temperature range, Tstg: -65℃ to 150℃; (5)Lead temperature 1,6 mm (1/16 inch) from case for 10 seconds: 260℃.
Features
TSB41AB2PAPR features: (1)Software Device Reset (SWR); (2)Industry Leading Low Power Consumption; (3)Ultralow-Power Sleep Mode; (4)Cable Power Presence Monitoring; (5)Cable Ports Monitor Line Conditions for Active Connection to Remote Node; (6)Data Interface to Link Layer Controller Through 2/4/8 Parallel Lines at 49.152 MHz; (7)Interface to Link Layer Controller Supports Low-Cost TI Bus-Holder Isolation and Optional Annex J Electrical Isolation; (8)Interoperable With Link Layer Controllers Using 3.3 V; (9)Single 3.3-V Supply Operation; (10)Low-Cost 24.576-MHz Crystal Provides Transmit, Receive Data at 100/200/400Mbits/s, and Link-Layer Controller Clock at 49.152 MHz; (11)Low-Cost High-Performance 64-Pin TQFP Thermally Enhanced PowerPAD. Package Increases Thermal Performance by up to; (12)210%; (13)Meets Intel. Mobile Power Guideline 2000.
Diagrams

| Image | Part No | Mfg | Description | ![]() |
Pricing (USD) |
Quantity | ||||||||||||
|---|---|---|---|---|---|---|---|---|---|---|---|---|---|---|---|---|---|---|
![]() |
![]() TSB41AB2PAPR |
![]() Texas Instruments |
![]() Buffers & Line Drivers Two-Port Cable Xcvr/Arbiter |
![]() Data Sheet |
![]()
|
|
||||||||||||
![]() |
![]() TSB41AB2PAPRG4 |
![]() Texas Instruments |
![]() 1394 Interface IC IEEE1394a 2Port Cable Xcvr/Arbiter |
![]() Data Sheet |
![]()
|
|
||||||||||||
(China (Mainland))









