Product Summary
The TPS79901DDCR is a low-dropout (LDO) low-power linear regulator offers excellent AC performance with very low ground current. High power-supply rejection ratio (PSRR), low noise, fast start-up, and excellent line and load transient response are provided while consuming a very low 40μA (typical) ground current. The applications of the TPS79901DDCR include Cellular Phones, Wireless LAN, Bluetooth, VCOs, RF, Handheld Organizers, PDAs.
Parametrics
TPS79901DDCR absolute maximum ratings: (1)VIN range: -0.3 to +7.0V; (2)VEN range: -0.3 to VIN +0.3V; (3)VOUT range: -0.3 to VIN +0.3V; (4)Peak output current: Internally limited; (5)Continuous total power dissipation: See Dissipation Ratings Table; (6)Junction temperature range, TJ: -55 to +150℃; (7)Storage junction temperature range, TSTG: -55 to +150℃; (8)ESD rating, HBM: 2kV; (9)ESD rating, CDM: 500V.
Features
TPS79901DDCR features: (1)200mA Low Dropout Regulator with EN; (2)Low IQ: 40μA; (3)Available in Multiple Output Voltage Versions: Fixed Outputs of 1.5V, 1.6V, 1.8V, 2.5V, 2.7V, 2.8V, 2.85V, 2.9V, 3.0V, 3.2V and 3.3V; Adjustable Outputs from 1.2V to 6.5V; Additional Outputs Available Using Innovative Factory EEPROM Programming; (4)High PSRR: 66dB at 1kHz; (5)Ultra-low Noise: 29.5μVRMS; (6)Fast Start-Up Time: 45μs; (7)Stable with a 2.0μF Ceramic Output Capacitance; (8)Excellent Load/Line Transient Response; (9)2% Overall Accuracy (Load/Line/Temp); (10)Very Low Dropout: 100mV; (11)ThinSOT-23, WCSP, and 2mm x 2mm SON.
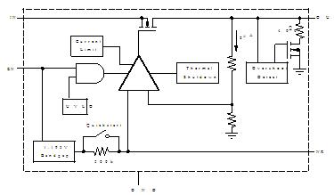
Diagrams

| Image | Part No | Mfg | Description | ![]() |
Pricing (USD) |
Quantity | ||||||||||||
|---|---|---|---|---|---|---|---|---|---|---|---|---|---|---|---|---|---|---|
![]() |
![]() TPS79901DDCR |
![]() Texas Instruments |
![]() Low Dropout (LDO) Regulators 200mA High PSRR LDO |
![]() Data Sheet |
![]()
|
|
||||||||||||
![]() |
![]() TPS79901DDCRG4 |
![]() Texas Instruments |
![]() Low Dropout (LDO) Regulators 200mA High PSRR LDO |
![]() Data Sheet |
![]()
|
|
||||||||||||
(China (Mainland))









