Product Summary
The TPS65130RGER is dual-output dc-dc converter generating a positive output voltage up to 15 V and a negative output voltage down to -15 V with output currents in a 200-mA range in typical applications, depending on input voltage to output voltage ratio. With a total efficiency up to 85%, the device is ideal for portable battery-powered equipment. The input voltage range of 2.7 V to 5.5 V allows the TPS65130RGER to be directly powered from a Li-ion battery, from 3 cells NiMH/NiCd or alkaline batteries. The applications of the TPS65130RGER include Small to Medium Size OLED Displays, (TFT) LCD and CCD Bias Supply, PDAs, Pocket PCs, Smartphones, Digital Cameras, Camcorders.
Parametrics
TPS65131RGER absolute maximum ratings: (1)VIN, INN Input voltage range at pins: -0.3 V to +6.0 V; (2)VPOS Maximum voltage at pin: 17 V; (3)VNEG Minimum voltage at pin: -17 V; (4)Voltage at pins ENN, ENP, FBP, FBN, CN, CP, PSP, PSN, BSW: -0.3 V to V IN + 0.3 V; (5)INP Input voltage at pin: 17 V; (6)Differential voltage between pins OUTN to V INN: 24 V; (7)T J Operating virtual junction temperature: -40℃ to 150℃; (8)T STG Storage temperature range: -65℃ to 150℃.
Features
TPS65131RGER features: (1)Dual Adjustable Output Voltages Up to +15 V and Down to -15 V; (2)800-mA Typical Switch Current Limit at Boost and Inverter Main Switches at TPS65130; (3)2-A Typical Switch Current Limit at Boost and Inverter Main Switches at TPS65131; (4)Up to 89% Efficiency at Positive Output Voltage Rail; (5)Up to 81% Efficiency at Negative Output Voltage Rail; (6)Power-Save Mode for High Efficiency at Low Load Currents; (7)Independent Enable Inputs for Power Up and Power Down Sequencing; (8)Control Output for External PFET to Support; (9)Completely Disconnecting the Battery; (10)2.7-V to 5.5-V Input Voltage Range; (11)Minimum 1.25-MHz Fixed Frequency PWM Operation; (12)Thermal Shutdown; (13)Overvoltage Protection on Both Outputs; (14)1- μ A Shutdown Current; (15)Small 4 mm x 4 mm QFN-24 Package (RGE).
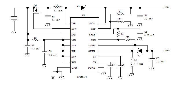
Diagrams

| Image | Part No | Mfg | Description | ![]() |
Pricing (USD) |
Quantity | ||||||||
|---|---|---|---|---|---|---|---|---|---|---|---|---|---|---|
![]() |
![]() TPS65131RGER |
![]() Texas Instruments |
![]() Other Power Management Adj Dl Otp Switch Boost DC/DC |
![]() Data Sheet |
![]()
|
|
||||||||
![]() |
![]() TPS65131RGERG4 |
![]() Texas Instruments |
![]() Other Power Management Adj Dl Otp Switch Boost DC/DC |
![]() Data Sheet |
![]()
|
|
||||||||
(China (Mainland))









