Product Summary
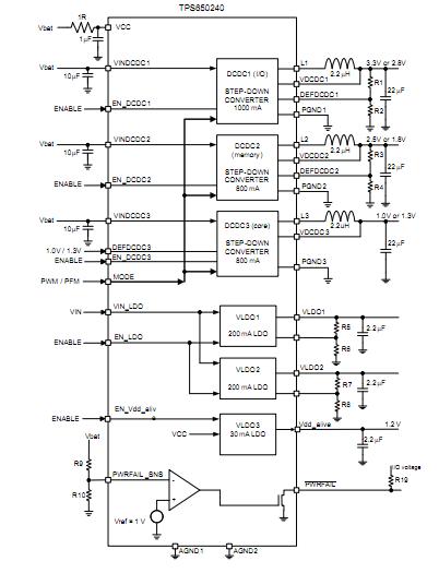
The TPS650240RHBR is an integrated Power Management IC for applications powered by one Li-Ion or Li-Polymer cell, which requires multiple power rails. The TPS650240RHBR provides three highly efficient, step-down converters targeted at providing the core voltage, peripheral, I/O and memory rails in a processor based system. All three step-down converters enter a low power mode at light load for maximum efficiency across the widest possible range of load currents. The applications of the TPS650240RHBR include PDA Cellular/Smart Phone, GPS, Digital Still Camera, Split Supply DSP and μ P Solutions: Samsung, ARM-Based Processors, etc.
Parametrics
TPS650240RHBR absolute maximum ratings: (1)Input voltage range on all pins except A/PGND pins with respect to AGND: -0.3 to 7 V; (2)Current at VINDCDC1, L1, PGND1, VINDCDC2, L2, PGND2, VINDCDC3, L3, PGND3: 2000 mA; (3)Peak Current at all other pins: 1000 mA; (4)Continuous total power dissipation: See Dissipation Rating Table; (5)TA, Operating free-air temperature: -40 to 85℃; (6)TJ, Maximum junction temperature: 125℃; (7)Tst, Storage temperature: -65 to 150℃; (8)Lead temperature 1,6 mm (1/16-inch) from case for 10 seconds: 260℃.
Features
TPS650240RHBR features: (1)1.6A or 1.0A, 97% Efficient Step-Down Converter for System Voltage (VDCDC1), 3.3V or 2.80V or Adjustable; (2)1.0A or 0.8A, up to 95% Efficient Step-Down Converter for Memory Voltage (VDCDC2), 1.8V or 2.5V or Adjustable; (3)0.8A, 90% Efficient Step-Down Converter for Processor Core (VDCDC3); (4)Two Selectable Voltages for VDCDC3, TPS650240: DEFDCDC3= LOW: Vo = 1.0V; DEFDCDC3= HIGH: Vo = 1.3V; (5)30mA LDO for Vdd_alive; (6)2 × 200 mA General Purpose LDOs (LDO1 and LDO2); (7)Dynamic Voltage Management for Processor Core; (8)LDO1 and LDO2 Voltage Externally Adjustable; (9)Separate Enable Pins for Inductive Converters; (10)2.25 MHz Switching Frequency; (11)85 μ A Quiescent Current; (12)Thermal Shutdown Protection.
Diagrams

| Image | Part No | Mfg | Description | ![]() |
Pricing (USD) |
Quantity | ||||||||
|---|---|---|---|---|---|---|---|---|---|---|---|---|---|---|
![]() |
![]() TPS650240RHBR |
![]() Texas Instruments |
![]() Battery Management Pwr Mgmt ICs for Li-Ion Powered Sys |
![]() Data Sheet |
![]()
|
|
||||||||
![]() |
![]() TPS650240RHBRG4 |
![]() Texas Instruments |
![]() Battery Management Pwr Mgmt ICs |
![]() Data Sheet |
![]()
|
|
||||||||
(China (Mainland))









