Product Summary
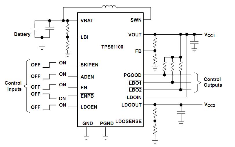
The TPS61103PW is a dual-output single-cell boost converter. The TPS61103PW provides a complete power supply solution for products powered by either one or twoAlkaline, NiCd, or NiMH battery cells. The converter generates two stable output voltages that are either adjustedby an external resistor divider or fixed internally on the chip. It stays in operation with supply voltages down to0.8 V. The implemented boost converter is based on a fixed frequency, pulse-width-modulation (PWM) controllerusing a synchronous rectifier to obtain maximum efficiency. The applications of the TPS61103PW include All Single or Dual Cell Battery Operated Products Which Use Two System Voltages Like DSP C5X Applications, Internet Audio Player, PDAs, Digital Still Cameras and Other Portable Equipment.
Parametrics
TPS61103PW absolute maximum ratings: (1)Input voltage range on VBAT, LBI, SKIPEN, EN, ENPB, ADEN, FB, LDOEN: -0.3 V to 3.6 V; (2)Input voltage range on SWN, VOUT, LDOIN, LDOOUT, LDO SENSE, PGOOD, LBO1, LBO2: -0.3 V to 7 V; (3)Operating free air temperature range, TA: -40℃ to 85℃; (4)Maximum junction temperature, TJ: 150℃; (5)Storage temperature range, Tstg: -65℃ to 150℃; (6)Lead temperature 1,6 mm (1/16 inch) from case for 10s: 260℃.
Features
TPS61103PW features: (1)Synchronous 95% Efficient Boost Converter; (2)Low EMI-Converter (Integrated AntiringingSwitch); (3)Load Disconnect During Shutdown; (4)Integrated 120 mA LDO for Second Output Voltage; (5)Auto Discharge Allows the Device to Discharge Output Capacitor During Shutdown; (6)TSSOP-20 and QFN-24 Package; (7)Overtemperature Protection; (8)65 μA (Typ) Total Device Quiescent Current; (9)EVM Available (TPS6110XEVM-216); (10)0.8 V to 3.3 V Input Voltage Range; (11)Adjustable Output Voltage up to 5.5 V and Fixed Output Voltage Options; (12)Power-Save Mode for Improved Efficiency at Low Output Power; (13)Battery Supervision; (14)Power Good Output; (15)Pushbutton Function for Start-Up.
Diagrams

| Image | Part No | Mfg | Description | ![]() |
Pricing (USD) |
Quantity | ||||||||||||
|---|---|---|---|---|---|---|---|---|---|---|---|---|---|---|---|---|---|---|
![]() |
![]() TPS61103PWRG4 |
![]() Texas Instruments |
![]() Switching Converters, Regulators & Controllers 3.3V Hi-Eff Boost Cnvrtr w/120mA LDO |
![]() Data Sheet |
![]() Negotiable |
|
||||||||||||
![]() |
![]() TPS61103PW |
![]() Texas Instruments |
![]() DC/DC Switching Regulators 3.3V Hi-Eff Boost Cnvrtr w/120mA LDO |
![]() Data Sheet |
![]()
|
|
||||||||||||
![]() |
![]() TPS61103PWR |
![]() Texas Instruments |
![]() Switching Converters, Regulators & Controllers 3.3V Hi-Eff Boost Cnvrtr w/120mA LDO |
![]() Data Sheet |
![]() Negotiable |
|
||||||||||||
![]() |
![]() TPS61103PWG4 |
![]() Texas Instruments |
![]() DC/DC Switching Regulators 3.3V Hi-Eff Boost Cnvrtr w/120mA LDO |
![]() Data Sheet |
![]()
|
|
||||||||||||
(China (Mainland))









