Product Summary
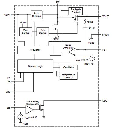
The TPS61027DRCR is a 96% efficient synchronous boost converter. The TPS61027DRCR provides a power supply solution for products powered by either a one-cell, two-cell, or three-cell alkaline, NiCd or NiMH, or one-cell Li-Ion or Li-polymer battery. Output currents can go as high as 200 mA while using a single-cell alkaline, and discharge it down to 0.9 V. It can also be used for generating 5 V at 500 mA from a 3.3-V rail or a Li-Ion battery. The boost converter is based on a fixed frequency, pulse-width-modulation (PWM) controller using a synchronous rectifier to obtain maximum effiency. The applications of the TPS61027DRCR include All One-Cell, Two-Cell and Three-Cell Alkaline, NiCd or NiMH or Single-Cell Li Battery Powered Products, Portable Audio Players, PDAs, Cellular Phones, Personal Medical Products, Camera White LED Flash Light.
Parametrics
TPS61027DRCR absolute maximum ratings: (1)Input voltage range on SW, VOUT, LBO, VBAT, PS, EN, FB, LBI: - 0.3 V to 7 V; (2)Operating virtual junction temperature range, TJ: - 40℃ to 150℃; (3)Storage temperature range, Tstg: -65℃ to 150℃.
Features
TPS61027DRCR features: (1)96% Efficient Synchronous Boost Converter; (2)Output Voltage Remains Regulated When Input Voltage Exceeds Nominal Output Voltage; (3)Device Quiescent Current: 25 μ A (Typ); (4)Input Voltage Range: 0.9 V to 6.5 V; (5)Fixed and Adjustable Output Voltage Options Up to 5.5 V; (6)Power Save Mode for Improved Efficiency at; (7)Low Output Power; (8)Low Battery Comparator; (9)Low EMI-Converter (Integrated Antiringing Switch); (10)Load Disconnect During Shutdown; (11)Over-Temperature Protection; (12)Small 3 mm × 3 mm QFN-10 Package.
Diagrams

| Image | Part No | Mfg | Description | ![]() |
Pricing (USD) |
Quantity | ||||||||||||
|---|---|---|---|---|---|---|---|---|---|---|---|---|---|---|---|---|---|---|
![]() |
![]() TPS61027DRCR |
![]() Texas Instruments |
![]() DC/DC Switching Regulators 5-V Otp 1.5-A Swit Boost Converter |
![]() Data Sheet |
![]()
|
|
||||||||||||
![]() |
![]() TPS61027DRCRG4 |
![]() Texas Instruments |
![]() DC/DC Switching Regulators 5-V Otp 1.5-A Swit Boost Converter |
![]() Data Sheet |
![]()
|
|
||||||||||||
![]() |
![]() TPS61027DRCRSY |
![]() Texas Instruments |
![]() DC/DC Switching Regulators 5V Out 1.5A Sw 96% Eff Boost Converter |
![]() Data Sheet |
![]()
|
|
||||||||||||
(China (Mainland))









