Product Summary
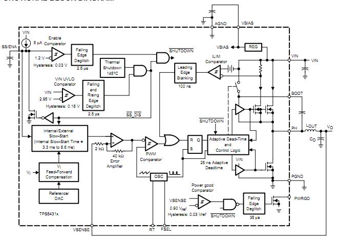
The TPS54314PWPR is a low-input-voltage high-output-current synchronous-buck PWM converter integrate allrequired active components. Included on the substratewith the listed features are a true, high performance,voltage error amplifier that provides high performanceunder transient conditions. The applications of the TPS54314PWPR include Low-Voltage, High-Density Systems With Power Distributed at 5 V or 3.3 V, Point of Load Regulation for High Performance DSPs, FPGAs, ASICs, and Microprocessors, Broadband, Networking and Optical Communications Infrastructure, Portable Computing/Notebook PCs.
Parametrics
TPS54314PWPR absolute maximum ratings: (1)Input voltage range, VI, VIN, SS/ENA, SYNC: -0.3 V to 7 V; RT: -0.3 V to 6 V; VSENSE: -0.3 V to 4 V; BOOT: -0.3 V to 17 V; VBIAS, PWRGD, COMP: -0.3 V to 7 V; Output voltage range, VO, PH: -0.6 V to 10 V; (2)Source current, IO, PH Internally Limited; COMP, VBIAS: 6 mA; PH: 6 A; COMP: 6 mA ; (3)Sink current, PH: 6A; SS/ENA, PWRGD: 10 mA; (4)Voltage differential, AGND to PGND: ±0.3 V; (5)Operating virtual junction temperature range, TJ: -40℃ to 125℃; (6)Storage temperature, Tstg: -65℃ to 150℃; (7)Lead temperature 1,6 mm (1/16 inch) from case for 10 seconds: 300℃.
Features
TPS54314PWPR features: (1)60-mΩ MOSFET Switches for High Efficiencyat 3-A Continuous Output Source or SinkCurrent; (2)0.9-V, 1.2-V, 1.5-V, 1.8-V, 2.5-V and 3.3-V Fixed Output Voltage Devices With 1% InitialAccuracy; (3)Internally Compensated for Low Parts Count; (4)Fast Transient Response; (5)Wide PWM Frequency: Fixed 350 kHz, 550kHz, or Adjustable 280 kHz to 700 kHz; (6)Load Protected by Peak Current Limit andThermal Shutdown Integrated Solution Reduces Board Area andTotal Cost.
Diagrams

| Image | Part No | Mfg | Description | ![]() |
Pricing (USD) |
Quantity | ||||||||
|---|---|---|---|---|---|---|---|---|---|---|---|---|---|---|
![]() |
![]() TPS54314PWPR |
![]() Texas Instruments |
![]() DC/DC Switching Regulators 3A Lw V Synch Buck |
![]() Data Sheet |
![]()
|
|
||||||||
![]() |
![]() TPS54314PWPRG4 |
![]() Texas Instruments |
![]() DC/DC Switching Regulators Lo-In Voltage 3A Sync Buck Converter |
![]() Data Sheet |
![]()
|
|
||||||||
(China (Mainland))









