Product Summary
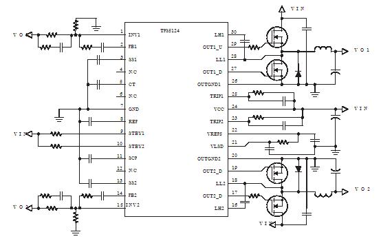
The TPS5124DBT is dual independent high efficiency synchronous step-down controller. It supports alow-voltage/high-current power supply applications that use either a 5-V or 12-V bus voltage. Since both controllers of the TPS5124DBT operate 180 degree out-of-phase, the input current ripple is minimized resulting in a smaller input capacitance and reduced power supply cost. The current protection circuit detects the drain-to-source voltage drop across the high-side and low side power MOSFET while it is conducting. The applications of the TPS5124DBT incldue Consumer Game SystemsD DSP ApplicationsD Digital Set-Top BoxD VGA and Sound Cards.
Parametrics
TPS5124DBT absolute maximum ratings: (1)Input voltage range, VCC, STBY1, STBY2, TRIP1, TRIP2: -0.3 to 16V; LH1, LH2 wrt GND: -0.3 to 22V; LH1, LH2 (wrt the corresponding LL terminal): -0.3 to 6V; SS1, SS2, CT, INV1, INV2, SCP, VLSD: -0.3 to 6V; (2)Ouput voltage range, OUT1_U, OUT2_U: 1 to 22V; VOUT1_U, OUT2_U (wrt the corresponding LL terminal): -0.3 to 6V; LL1, LL2: -1 to 16V; OUT1_D, OUT2_D, VREF5, FB1, FB2: -0.3 to 6; (3)OUTGND1, OUTGND2: -0.3 to 0.3V; REF: 0.3 to 3V; (4)Output current range, VREF: 550mA; VREF: 5mA; (5)Operating free-air temperature range, TA: -40 to 85℃; (6)Storage temperature range, Tstg: -55 to 150℃; (7)Junction temperature range, TJ: -40℃; (8)Lead temperature 1,6 mm (1/16 inch) from case for 10 seconds: 300℃.
Features
TPS5124DBT features: (1)High Efficiency-No Current Sense Resistor Required, RDS(on) Overcurrent Detection with Temperature Compensation; (2)Adjustable Output Voltage Down to 0.9 V; (3)Voltage-Mode PWM Control: Maximum500-kHz Operation; (4)180° Out-of-Phase Control; (5)Individual Standby and Soft-Start for EachChannel; (6)Easy Power Sequencing; (7)Overvoltage and Undervoltage Protection; (8)Built-In Boot-Strap DiodeD Built-In 5-V Linear Regulator; (9)Accurate ±1% 0.85-V Reference.
Diagrams

| Image | Part No | Mfg | Description | ![]() |
Pricing (USD) |
Quantity | ||||||||||||
|---|---|---|---|---|---|---|---|---|---|---|---|---|---|---|---|---|---|---|
![]() |
![]() TPS5124DBT |
![]() Texas Instruments |
![]() DC/DC Switching Controllers Dual Ch Sync Step-Down |
![]() Data Sheet |
![]()
|
|
||||||||||||
![]() |
![]() TPS5124DBTG4 |
![]() Texas Instruments |
![]() DC/DC Switching Controllers Dual Ch Sync Step-Down |
![]() Data Sheet |
![]()
|
|
||||||||||||
![]() |
![]() TPS5124DBTR |
![]() Texas Instruments |
![]() DC/DC Switching Controllers Dual Ch Sync Step-Down |
![]() Data Sheet |
![]()
|
|
||||||||||||
![]() |
![]() TPS5124DBTRG4 |
![]() Texas Instruments |
![]() DC/DC Switching Controllers Dual Ch Sync Step-Down |
![]() Data Sheet |
![]()
|
|
||||||||||||
(China (Mainland))









