Product Summary
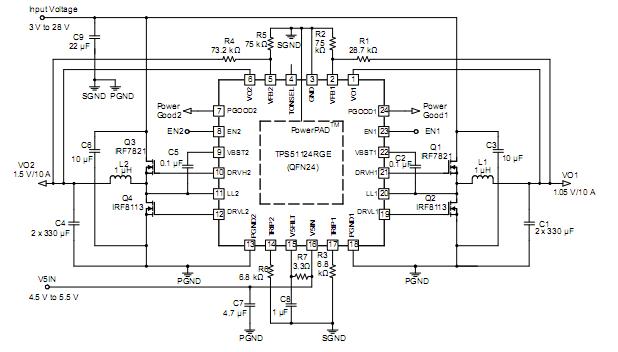
The TPS51124RGER is a dual, adaptive on-time D-CAP mode synchronous buck controller. The TPS51124RGER enables system designers to cost effectively complete the suite of notebook power bus regulators with the absolute lowest external component count and lowest standby consumption. The applications of the TPS51124RGER are Notebook I/O and Low Voltage System Bus. It is available in 24-pin QFN package specified from -40℃ to 85℃ ambient temperature range.
Parametrics
TPS51124RGER absolute maximum ratings: (1)Input voltage: VBST1, VBST2: -0.3V to 36V, VBST1, VBST2 (wrt LLx): -0.3V to 6V range, V5IN, V5FILT, EN1, EN2, VFB1, VFB2, TRIP1, TRIP2, VO1, VO2, TONSEL: -0.3V to 6V; (2)Output voltage range: DRVH1, DRVH2: -1V to 36V, DRVH1, DRVH2 (wrt LLx): -0.3V to 6V, LL1, LL2: -2V to 30 V, PGOOD1, PGOOD2, DRVL1, DRVL2: -0.3V to 6V, PGND1, PGND2: -0.3V to 0.3V; (3)Operating ambient temperature range: -40℃ to 85℃; (4)Storage temperature range: -55℃ to 150℃; (5)Junction temperature range: -40℃ to 125℃.
Features
TPS51124RGER features: (1)High Efficiency, Low-Power Consumption, Shutdowns to <1 μA; (2)Fixed Frequency Emulated On-Time Control, Frequency Selectable From Three Options; (3)D-CAP Mode Enables Fast Transient Response; (4)Auto-Skip Mode; (5)Less Than 1% Initial Reference Accuracy; (6)Low Output Ripple; (7)Wide Input Voltage Range: 3 V to 28 V; (8)Output Voltage Range: 0.76 V to 5.5 V; (9)Low-Side R DS(ON); (10)Loss-less Current Sensing; (11)Adaptive Gate Drivers With Integrated Boost Diode; (12)Internal 1.2-ms Voltage-Servo Soft Start; (13)Power-Good Signals for Each Channel With Delay Timer; (14)Output Discharge During Disable, Fault.
Diagrams

| Image | Part No | Mfg | Description | ![]() |
Pricing (USD) |
Quantity | ||||||||||||
|---|---|---|---|---|---|---|---|---|---|---|---|---|---|---|---|---|---|---|
![]() |
![]() TPS51124RGER |
![]() Texas Instruments |
![]() DC/DC Switching Controllers Dual Sync Step Down for Lo-Vltg Sys Pwr |
![]() Data Sheet |
![]()
|
|
||||||||||||
![]() |
![]() TPS51124RGERG4 |
![]() Texas Instruments |
![]() DC/DC Switching Controllers Dual Sync Step Down for Lo-Vltg Sys Pwr |
![]() Data Sheet |
![]()
|
|
||||||||||||
(China (Mainland))









