Product Summary
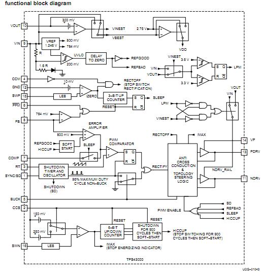
The TPS43000PW is a high-frequency, voltage-mode, synchronous PWM controller that can be used in buck, boost, SEPIC, or flyback topologies. This highly flexible, full-featured controller is designed to drive a pair of external MOSFETs (one N-channel and one P-channel), enabling it for use with a wide range of output voltages and power levels. With an automatic PFM mode, a shutdown current of less than 1 μA, a sleep-mode current of less than 100μA and a full operating current of less than 2 mA at 1 MHz, it is ideal for building highly efficient, dc-to-dc converters. The applications of the TPS43000PW include Networking Equipment, Servers, Base Stations, Cellular Telephones, Satellite Telephones, GPS Devices, Digital Still and Handheld Cameras, Personal Digital Assistants (PDAs).
Parametrics
TPS43000PW absolute maximum ratings: (1)Input voltage (VIN, VP, VOUT): -0.3 V to 10 V; (BUCK, CCM, CCS, PFM, SYNC/SD): -0.3 V to VIN + 0.3 V; (SWN): -0.3 V to 17 V; (SWP): -0.3 V to VIN + 0.3 V; (2)Storage temperature range, Tstg: -65℃ to 150℃; (3)Junction temperature range, TJ: -55℃ to 150℃; (4)Lead temperature 1,6 mm (1/16 inch) from case for 10 seconds: 300℃.
Features
TPS43000PW features: (1)High-Frequency (2-MHz) Voltage Mode PWM Controller; (2)1.8-V to 9.0-V Input Voltage Range; (3)0.8-V to 8.0-V Output Voltage Range (Higher in Non-Synchronous Boost Topology); (4)High-Efficiency Buck, Boost, SEPIC or Flyback (Buck-Boost) Topology; (5)Synchronous Rectification for High-Efficiency; (6)Drives External MOSFETs for High-Current Applications; (7)Synchronizable Fixed-Frequency PWM or Automatic Pulsed Frequency Modulation (PFM) Mode; (8)Built-In Soft-Start; (9)User Programmable Discontinuous or Continuous Conduction Mode; (10)Selectable Pulse-by-Pulse Current Limiting or Hiccup Mode Protection.
Diagrams

| Image | Part No | Mfg | Description | ![]() |
Pricing (USD) |
Quantity | ||||||||||||
|---|---|---|---|---|---|---|---|---|---|---|---|---|---|---|---|---|---|---|
![]() |
![]() TPS43000PWG4 |
![]() Texas Instruments |
![]() DC/DC Switching Controllers Multi-Topology High Freq DC/DC |
![]() Data Sheet |
![]()
|
|
||||||||||||
![]() |
![]() TPS43000PWRG4 |
![]() Texas Instruments |
![]() DC/DC Switching Controllers Multi-Topology High Freq DC/DC |
![]() Data Sheet |
![]()
|
|
||||||||||||
![]() |
![]() TPS43000PWR |
![]() Texas Instruments |
![]() DC/DC Switching Controllers Multi-Topology High Freq DC/DC |
![]() Data Sheet |
![]()
|
|
||||||||||||
![]() |
![]() TPS43000PW |
![]() Texas Instruments |
![]() DC/DC Switching Controllers Multi-Topology High Freq DC/DC |
![]() Data Sheet |
![]()
|
|
||||||||||||
(China (Mainland))









