Product Summary
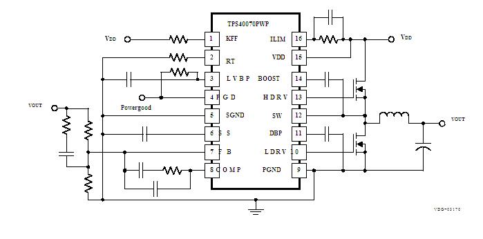
The TPS40071PWPR is a mid voltage, wide input (4.5 V to28 V), synchronous, step-down converter. The TPS40071PWPR offers design flexibility with a variety of user programmable functions, including; soft-start, UVLO, operating frequency, voltage feed-forward and high-side FET sensed short circuit protection. The TPS40071PWPR incorporates MOSFET gate drivers for external N-channel high-side and synchronous rectifier (SR) MOSFETs. The applications of the TPS40071PWPR include Power Module, Networking/Telecom, Industrial, Servers.
Parametrics
TPS40071PWPR absolute maximum ratings: (1)VDD, Input voltage range, VDD, ILIM: 30V; COMP, FB, KFF, PGD, LVBP: -0.3 to 6V; SW: -0.3 to 40V; SW, transient < 50 ns: -2.5V; (2)VOUT, Output voltage range, COMP, KFF, RT, SS: -0.3 to 6V; VBOOST: 50V; DBP: 10.5V; LVBP: 6V; ; (3)IOUT, Output current source, LDRV, HDRV: 1.5A; (4)IOUT, Output current sink, LDRV, HDRV: 2.0A; KFF10RT: 1A; (5)Output current, RT: 1mA; LVBP: 1.5A; (6)TJ, Operating junction temperature range: -40 to 125℃Tstg, Storage temperature: -55 to 150℃; (7)Lead temperature 1,6 mm (1/16 inch) from case for 10 seconds: 260℃.
Features
TPS40071PWPR features: (1)Operation Over 4.5-V to 28-V Input Range; (2)Programmable Fixed-Frequency up to 1-MHz Voltage-Mode Controller; (3)Predictive Gate Drive With Anti-Cross Conduction Circuitry; (4)<1% Internal 700-mV Reference; (5)Internal Gate Drive Outputs for High-Side and Synchronous N-Channel MOSFETs; (6)16-Pin PowerPAD Package; (7)Thermal Shutdown Protection; (8)TPS40070: Source Only; (9)TPS40071: Source/Sink; (10)Programmable High-Side Sense Short Circuit program.
Diagrams

| Image | Part No | Mfg | Description | ![]() |
Pricing (USD) |
Quantity | ||||||||||
|---|---|---|---|---|---|---|---|---|---|---|---|---|---|---|---|---|
![]() |
![]() TPS40071PWPR |
![]() Texas Instruments |
![]() DC/DC Switching Controllers Mid Rg In Sync Buck Cntrlr source/sink |
![]() Data Sheet |
![]()
|
|
||||||||||
![]() |
![]() TPS40071PWPRG4 |
![]() Texas Instruments |
![]() DC/DC Switching Controllers Mid Rg In Sync Buck Cntrlr source/sink |
![]() Data Sheet |
![]()
|
|
||||||||||
(China (Mainland))









