Product Summary
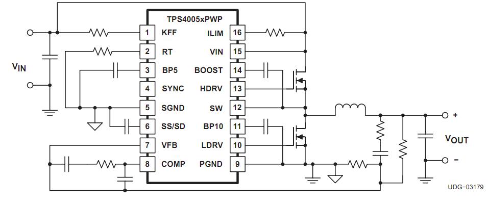
The TPS40055PWPR is a high-voltage, wide input (8 V to 40 V), synchronous, step-down converter. The TPS40055PWPR offers design flexibility with a variety of user programmable functions, including soft-start, UVLO, operating frequency, voltage feed- forward, high-side current limit, and loop compensation. The TPS40055PWPR is also synchronizable to an external supply. The device incorporates MOSFET gate drivers for external N-channel high-side and synchronous rectifier (SR) MOSFETs. The applications of the TPS40055PWPR include Power Modules, Networking/Telecom, Industrial, Servers.
Parametrics
TPS40055PWPR absolute maximum ratings: (1)Input voltage range, VIN: 45V; VFB, SS, SYNC: -0.3 to 6V; VIN SW: -0.3 to 45V; SW, transient < 50 ns -2.5V; KFF, with IIN(max) = -5 mA: -0.3 to 11v; (2)Output voltage range, VOUT COMP, RT, SS: -0.3 to 6V; (3)Input current, IIN KFF: 5 mA; (4)Output current, IOUT RT: 200 μA; (5)Operating junction temperature range, TJ: -40 to 125℃; (6)Storage temperature, Tstg: -55 to 150 ℃; (7)Lead temperature 1,6 mm (1/16 inch) from case for 10 seconds 260℃.
Features
TPS40055PWPR features: (1)Operating Input Voltage 8 V to 40 V; (2)Input Voltage Feed-Forward Compensation; (3)< 1 % Internal 0.7-V Reference; (4)Programmable Fixed-Frequency Up to 1 MHz Voltage Mode Controller; (5)Internal Gate Drive Outputs for High-Side and Synchronous N-Channel MOSFETs; (6)16-Pin PowerPAD Package (θJC = 2°C/W); (7)Thermal Shutdown; (8)Externally Synchronizable; (9)Programmable High-Side Current Limit; (10)Programmable Closed-Loop Soft-Start; (11)TPS40054 Source Only; (12)TPS40055 Source/Sink; (13)TPS40057 Source/Sink With VOUT Prebias.
Diagrams

| Image | Part No | Mfg | Description | ![]() |
Pricing (USD) |
Quantity | ||||||||||||
|---|---|---|---|---|---|---|---|---|---|---|---|---|---|---|---|---|---|---|
![]() |
![]() TPS40055PWPR |
![]() Texas Instruments |
![]() DC/DC Switching Controllers Wide Input Sync Buck Cntrlr source/sink |
![]() Data Sheet |
![]()
|
|
||||||||||||
![]() |
![]() TPS40055PWPRG4 |
![]() Texas Instruments |
![]() DC/DC Switching Controllers Wide Input Sync Buck Cntrlr source/sink |
![]() Data Sheet |
![]()
|
|
||||||||||||
(China (Mainland))









