Product Summary
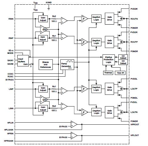
The TPA2000D4DAP is a 2-W stereo bridge-tied-load (BTL) class-D amplifier designed to drive speakers with as low as 4-Ω impedance. The TPA2000D4DAP uses TI’s second-generation modulation technique, which results in improved efficiency and SNR, and also allows the device to be connected directly to the speaker without the use of the LC output filter commonly associated with class-D amplifiers (this will result in an EMI which must be shielded at the system level). These features make the TPA2000D4DAP ideal for use in notebook PCs where high-efficiency is needed to extend battery run-time. For speakers powered off the USB bus, the high-efficiency allows for higher output power levels without tripping the USB’s overcurrent circuitry.
Parametrics
TPA2000D4DAP absolute maximum ratings: (1)VDD, PVDD, Supply voltage: -0.3 V to 6 V; (2)VI, Input voltage: -0.3 V to VDD+0.3 V; (3)Continuous total power dissipation: See Dissipation Rating Table; (4)TA, Operating free-air temperature range: -40 to 85℃; (5)TJ, Operating junction temperature range: -40 to 150℃; (6)Tstg, Storage temperature range: -65 to 150℃; (7)Lead temperature 1,6 mm (1/16 inch) from case for 10 seconds: 260℃.
Features
TPA2000D4DAP features: (1)Ideal for Notebook PCs and USB-Powered Speakers; (2)2 W Into 4 Ω From 5-V Supply; (3)Integrated Class-AB Headphone Amplifier; (4)Second-Generation Modulation Technique, Filterless Operation; Improved Efficiency; (5)Low Supply Current: 9 mA typ at 5 V; (6)Shutdown Control: < 0.05 μA Typ; (7)Shutdown Pin Is TTL Compatible; (8)-40℃ to 85℃ Operating Temperature Range; (9)Space-Saving, Thermally-Enhanced PowerPAD Packaging.
Diagrams

| Image | Part No | Mfg | Description | ![]() |
Pricing (USD) |
Quantity | ||||||||||||
|---|---|---|---|---|---|---|---|---|---|---|---|---|---|---|---|---|---|---|
![]() |
![]() TPA2000D4DAP |
![]() Texas Instruments |
![]() Audio Amplifiers Stereo Filter-Free Class-D |
![]() Data Sheet |
![]()
|
|
||||||||||||
![]() |
![]() TPA2000D4DAPG4 |
![]() Texas Instruments |
![]() Audio Amplifiers Stereo Filter-Free Class-D |
![]() Data Sheet |
![]() Negotiable |
|
||||||||||||
![]() |
![]() TPA2000D4DAPR |
![]() Texas Instruments |
![]() Audio Amplifiers Stereo Filter-Free Class-D |
![]() Data Sheet |
![]()
|
|
||||||||||||
![]() |
![]() TPA2000D4DAPRG4 |
![]() Texas Instruments |
![]() Audio Amplifiers Stereo Filter-Free Class-D |
![]() Data Sheet |
![]() Negotiable |
|
||||||||||||
(China (Mainland))










