Product Summary
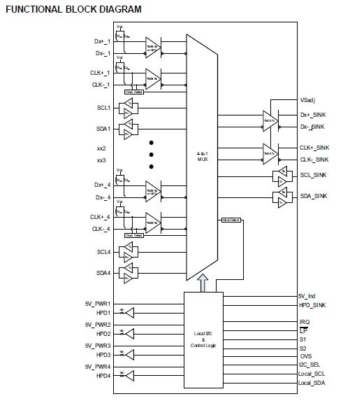
The TMDS461PZTR is a 4-port digital video interface (DVI) or high-definition multimedia interface (HDMI) switch that allows up to four DVI or HDMI ports to be switched to a single display terminal. Four TMDS channels, one hot-plug detector, and a digital display control (DDC) interface are supported on each port. Each TMDS channel supports signaling rates up to 3 Gbps to allow 1080p resolution in 16-bit color depth. The TMDS461PZTR provides an analog adaptive equalizer for different ranges of cable lengths. The applications of the TMDS461PZTR include High-Definition Digital TV, LCD, Plasma, DLP.
Parametrics
TMDS461PZTR absolute maximum ratings: (1)Supply voltage range(2) VCC: -0.3 to 3.6 V; (2)Voltage range, TMDS I/O: -0.3 to 4V; HPD and DDC I/O: -0.3 to 5.5 V; Control and status I/O: -0.3 to 5.5V; (3)Electrostatic discharge, Human body model(3) on SCL[1:4], SDA[1:4], D[0:2]+_[1:4], D[0:2]–_[1:4], CLK+_[1:4], CLK–_[1:4] pins: ±10,000V; Human body model(3) on all other pins: ±6,000 V; Charged-device model(4): ±1500V; Machine model(5): ±200V; (4)Continuous power dissipation: See Dissipation Ratings table.
Features
TMDS461PZTR features: (1)4:1 Switch Supporting DVI Above 1920×1200 and HDMI HDTV Resolutions up to 1080p With 16-bit Color Depth; (2)Designed for Signaling Rates up to 3 Gbps; (3)HDMI 1.3a Spec Compliant; (4)Adaptive Equalization to Support up to 20-m HDMI Cable; (5)TMDS Input Clock-Detect Circuit; (6)DDC Repeater Function; (7)<2 mW Low-Power Mode; (8)Local I2C or GPIO Configurable; (9)Enhanced ESD. HBM: 10 kV on All Input TMDS, DDC I2C pins; (10)3.3-Volt Power Supply; (11)Temperature Range: 0℃ to 70℃; (12)Automatic Port Select Feature; (13)Robust TMDS Receive Stage That Can Work With Non-Compliant Input Common-Mode HDMI Signals.
Diagrams

| Image | Part No | Mfg | Description | ![]() |
Pricing (USD) |
Quantity | ||||||||||||
|---|---|---|---|---|---|---|---|---|---|---|---|---|---|---|---|---|---|---|
![]() |
![]() TMDS461PZTR |
![]() Texas Instruments |
![]() Video Switch ICs 4 to 1 HDMI Switch |
![]() Data Sheet |
![]()
|
|
||||||||||||
| Image | Part No | Mfg | Description | ![]() |
Pricing (USD) |
Quantity | ||||||||||||
![]() |
![]() TMDS141RHAR |
![]() Texas Instruments |
![]() Display Interface IC HDMI Hider |
![]() Data Sheet |
![]()
|
|
||||||||||||
![]() |
![]() TMDS141RHARG4 |
![]() Texas Instruments |
![]() Display Interface IC HDMI Hider |
![]() Data Sheet |
![]()
|
|
||||||||||||
![]() |
![]() TMDS1MTRPFCKIT |
![]() Texas Instruments |
![]() Power Management IC Development Tools Motor Control and PFC Developer's Kit |
![]() Data Sheet |
![]()
|
|
||||||||||||
![]() |
![]() TMDS250 |
![]() Other |
![]() |
![]() Data Sheet |
![]() Negotiable |
|
||||||||||||
![]() |
![]() TMDS250PAGR |
![]() Texas Instruments |
![]() Video Switch ICs 2-to-1 HDMI Switch |
![]() Data Sheet |
![]()
|
|
||||||||||||
![]() |
![]() TMDS250PAGRG4 |
![]() Texas Instruments |
![]() Video Switch ICs 2-to-1 HDMI Switch |
![]() Data Sheet |
![]()
|
|
||||||||||||
(China (Mainland))










