Product Summary
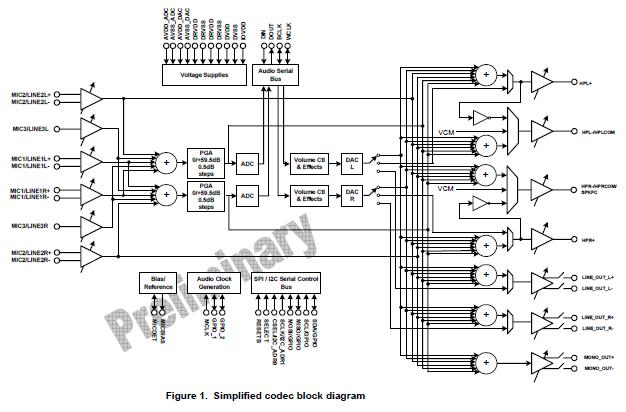
The TLV320AIC33IZQER is a low power stereo audio codec with stereo headphone amplifier, as well as multiple inputs and outputs programmable in single-ended or fully-differential configurations. Extensive register-based power control is included, enabling stereo 48-kHz DAC playback as low as 15mW(TBD) from a 3.3V analog supply, making it ideal for portable battery-powered audio and telephony applications. The record path of the TLV320AIC33IZQER contains integrated microphone bias, digitally controlled stereo microphone preamp, and automatic gain control (AGC), with mix/mux capability among the multiple analog inputs.
Parametrics
TLV320AIC33IZQER absolute maximum ratings: (1)VDDA1 to VSS, VDDA2 to AVSS_DAC: -0.3V to 3.9V; (2)VDDA1 to DRVSS: -0.3V to 3.9V; (3)IOVDD to DVSS: -0.3V to 3.9V; (4)DVDD to DVSS: -0.3V to 2.5V; (5)VDDA2 to VDDA1: -0.1V to 0.1V; (6)Digital Input Voltage to DVSS: -0.3V to IOVDD+0.3V; (7)Analog Input Voltage to AVSS: -0.3V to AVDD+0.3V; (8)Operating temperature range: -40℃ to +85℃; (9)Storage temperature range: -65℃ to +105℃; (10)Junction temperature (TJ Max): +105℃.
Features
TLV320AIC33IZQER features: (1)stereo audio dac, 103db-a signal-to-noise ratio; 16/20/24/32-bit data; supports rates from 8-khz to 96-khz; 3d/bass/treble/eq/de-emphasis effects; (2)stereo audio adc, 92db-a signal-to-noise ratio; supports rates from 8-khz to 96-khz; ten audio input pins; programmable in single-ended or fully differential configurations; tri-state capability for floating input configurations; (3)seven audio output drivers, stereo 8-ohm 325mw/channel speaker drive capability; stereo fully-differential or singleended; (4)headphone drivers; fully differential stereo line outputs; fully differential mono output; (5)low power: 14mw stereo 48-khz playback with 3.3v analog supply; (6)programmable input/output analog gains; (7)automatic gain control (agc) for record; (8)programmable microphone bias level; (9)programmable pll for flexible clock generation; (10)control bus selectable spi or i2c; (11)audio serial data bus supports i2s, left/right-justified, dsp, and tdm modes; (12)alternate serial pcm/i2s data bus for easy connection to bluetooth module; (13)digital microphone input support; (14)extensive modular power control; (15)power supplies: analog: 2.7v-3.6v; digital core: 1.525v-1.95v; digital i/o: 1.1v-3.6v; (16)packages: 5x5mm 80-bga; 7x7mm 48-qfn.
Diagrams

| Image | Part No | Mfg | Description | ![]() |
Pricing (USD) |
Quantity | ||||||||||||||
|---|---|---|---|---|---|---|---|---|---|---|---|---|---|---|---|---|---|---|---|---|
![]() |
![]() TLV320AIC33IZQER |
![]() Texas Instruments |
![]() Audio CODECs Lo-Pwr Stereo Codec w/6 Inp 7 Otp |
![]() Data Sheet |
![]()
|
|
||||||||||||||
| Image | Part No | Mfg | Description | ![]() |
Pricing (USD) |
Quantity | ||||||||||||||
![]() |
![]() TLV3011 |
![]() Other |
![]() |
![]() Data Sheet |
![]() Negotiable |
|
||||||||||||||
![]() |
![]() TLV3011AIDBVR |
![]() Texas Instruments |
![]() Comparator ICs Low Power Open Drain Output |
![]() Data Sheet |
![]()
|
|
||||||||||||||
![]() |
![]() TLV3011AIDBVRG4 |
![]() Texas Instruments |
![]() Comparator ICs Lo Pwr Open Drain Output Comparator |
![]() Data Sheet |
![]()
|
|
||||||||||||||
![]() |
![]() TLV3011AIDBVT |
![]() Texas Instruments |
![]() Comparator ICs Low Power Open Drain Output |
![]() Data Sheet |
![]()
|
|
||||||||||||||
![]() |
![]() TLV3011AIDBVTG4 |
![]() Texas Instruments |
![]() Comparator ICs Low Power Open Drain Output |
![]() Data Sheet |
![]()
|
|
||||||||||||||
![]() |
![]() TLV3011AIDCKR |
![]() Texas Instruments |
![]() Comparator ICs Low Power Open Drain Output |
![]() Data Sheet |
![]()
|
|
||||||||||||||
(China (Mainland))










