Product Summary
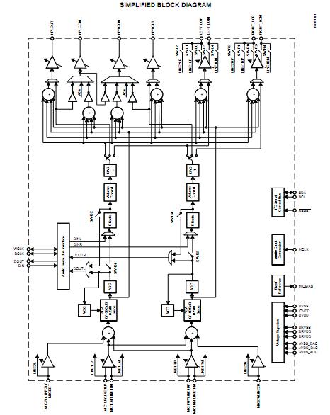
The TLV320AIC3104IRHBT is a low-power stereo audio codec with stereo headphone amplifier, as well as multiple inputs and outputs that are programmable in single-ended or fully differential configurations. Extensive register-based power control is included, enabling stereo 48-kHz DAC playback as low as 14 mW from a 3.3-V analog supply, making it ideal for portable battery-powered audio and telephony applications. The applications of the TLV320AIC3104IRHBT include Digital Cameras, Smart Cellular Phones, PDAs, Portable Computing, Communication and Entertainment Applications.
Parametrics
TLV320AIC3104IRHBT absolute maximum ratings: (1)AVDD to AVSS, DRVDD to DRVSS: – 0.3 to 3.9 V; (2)AVDD to DRVSS: – 0.3 to 3.9 V; (3)IOVDD to DVSS: – 0.3 to 3.9 V; (4)DVDD to DVSS: – 0.3 to 2.5 V; (5)AVDD to DRVDD: – 0.1 to 0.1 V; (6)Digital input voltage to DVSS: – 0.3 to IOVDD + 0.3 V; (7)Analog input voltage to AVSS: – 0.3 to AVDD + 0.3 V; (8)Operating temperature range: – 40 to 85℃; (9)Storage temperature range: – 65 to 105℃; (10)T J, Max Junction temperature: 105℃; (11)Power dissipation: (TJMax–TA)/RθJA; (12)RθJA, Thermal impedance: 44 ℃/W.
Features
TLV320AIC3104IRHBT features: (1)Stereo Audio DAC: 102-dBA Signal-to-Noise Ratio; 16/20/24/32-Bit Data; Supports Sample Rates From 8 kHz to 96; (2)kHz; 3D/Bass/Treble/EQ/De-Emphasis Effects; Flexible Power Saving Modes and Performance are Available; (3)Stereo Audio ADC: 92-dBA Signal-to-Noise Ratio; Supports Sample Rates From 8 kHz to 96 kHz; Digital Signal Processing and Noise Filtering Available During Record; (4)Six Audio Input Pins: One Stereo Pair of Single-Ended Inputs; One Stereo Pair of Fully Differential Inputs; (5)Six Audio Output Drivers: Stereo Fully Differential or Single-Ended Headphone Drivers; Fully Differential Stereo Line Outputs; (6)Low Power: 14-mW Stereo 48-kHz Playback With 3.3-V Analog Supply; (7)Ultralow-Power Mode with Passive Analog Bypass; (8)Programmable Input/Output Analog Gains; (9)Automatic Gain Control (AGC) for Record; (10)Programmable Microphone Bias Level; (11)Programmable PLL for Flexible Clock Generation; (12)I2C Control Bus; (13)Audio Serial Data Bus Supports I2S, Left/Right-Justified, DSP, and TDM Modes; (14)Extensive Modular Power Control; (15)Power Supplies: Analog: 2.7 V – 3.6 V; Digital Core: 1.525 V – 1.95 V; Digital I/O: 1.1 V – 3.6 V; (16)Package: 5-mm × 5-mm 32-Pin QFN.
Diagrams

| Image | Part No | Mfg | Description | ![]() |
Pricing (USD) |
Quantity | ||||||||||||||
|---|---|---|---|---|---|---|---|---|---|---|---|---|---|---|---|---|---|---|---|---|
![]() |
![]() TLV320AIC3104IRHBT |
![]() Texas Instruments |
![]() Audio CODECs Lo-Pwr Stereo CODEC |
![]() Data Sheet |
![]()
|
|
||||||||||||||
| Image | Part No | Mfg | Description | ![]() |
Pricing (USD) |
Quantity | ||||||||||||||
![]() |
![]() TLV3011 |
![]() Other |
![]() |
![]() Data Sheet |
![]() Negotiable |
|
||||||||||||||
![]() |
![]() TLV3011AIDBVR |
![]() Texas Instruments |
![]() Comparator ICs Low Power Open Drain Output |
![]() Data Sheet |
![]()
|
|
||||||||||||||
![]() |
![]() TLV3011AIDBVRG4 |
![]() Texas Instruments |
![]() Comparator ICs Lo Pwr Open Drain Output Comparator |
![]() Data Sheet |
![]()
|
|
||||||||||||||
![]() |
![]() TLV3011AIDBVT |
![]() Texas Instruments |
![]() Comparator ICs Low Power Open Drain Output |
![]() Data Sheet |
![]()
|
|
||||||||||||||
![]() |
![]() TLV3011AIDBVTG4 |
![]() Texas Instruments |
![]() Comparator ICs Low Power Open Drain Output |
![]() Data Sheet |
![]()
|
|
||||||||||||||
![]() |
![]() TLV3011AIDCKR |
![]() Texas Instruments |
![]() Comparator ICs Low Power Open Drain Output |
![]() Data Sheet |
![]()
|
|
||||||||||||||
(China (Mainland))










