Product Summary
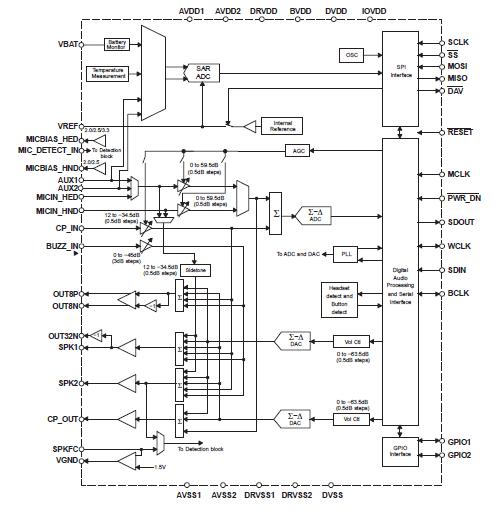
The TLV320AIC28IRGZ is a low-power, high-performance audio codec with 16/20/24/32-bit 95-dB stereo playback, mono record functionality at up to 48 ksps. Two microphone inputs include independent programmable bias voltages, built-in pre-amps, and hardware automatic gain control, with single-ended or fully-differential signal input capabilities. The stereo 16-Ω headphone drivers on the TLV320AIC28IRGZ support capless as well as ac-coupled output configurations. The applications of the TLV320AIC28IRGZ include Personal Digital Assistants, Cellular Smartphones, Digital Still Cameras, Digital Camcorders, MP3 Players.
Parametrics
TLV320AIC28IRGZ absolute maximum ratings: (1)AVDD1/2 to AVSS1/2: -0.3 V to 3.9 V; (2)DRVDD to DRVSS1/2: -0.3 V to 3.9 V; (3)BVDD to DRVSS1/2: -0.3 V to 4.5 V; (4)IOVDD to DVSS: -0.3 V to 3.9 V; (5)Digital input voltage to DVSS: -0.3 V to IOVDD + 0.3 V; (6)Analog input (except VBAT) voltage to AVSS1/2: -0.3 V to AVDD + 0.3 V; (7)VBAT input voltage to AVSS1/2: -0.3 V to 6 V; (8)AVSS1/2 to DRVSS1/2 to DVSS: -0.1 V to 0.1 V; (9)AVDD1/2 to DRVDD: -0.1 V to 0.1 V; (10)Operating temperature range -40℃ to 85℃; (11)Storage temperature range -65℃ to 105℃; (12)Junction temperature (TJ Max): 105℃.
Features
TLV320AIC28IRGZ features: (1)Stereo Audio DAC and Mono Audio ADC Support Rates Up to 48 ksps; (2)High Quality 95-dB Stereo Audio Playback Performance; (3)MIC Preamp and Hardware Automatic Gain Control With Up to 59.5-dB Gain; (4)Stereo 16-Ω Headphone Amplifier With Capless Output Option; (5)400-mW 8-Ω Audio Power Amp With Direct Battery Supply Connection; (6)32-Ω Differential Earpiece Driver; (7)Integrated PLL For Flexible Audio Clock Generation; (8)Low Power 19-mW Stereo Audio Playback at 48 ksps and 3.3-V Analog Supply level; (9)Programmable Digital Audio Bass/Treble/EQ/De-Emphasis; (10)Auto-Detection of Jack Insertion, Headset Type, and Button Press; (11)Direct Battery Measurement Accepts Up to 6-V Input; (12)On-Chip Temperature and Auxiliary Input Measurement; (13)Programmable Measurement Converter Resolution, Speed, Averaging, and Timing; (14)SPI and I2S Serial Interfaces; (15)Full Power-Down Control; (16)48-Pin QFN Package.
Diagrams

| Image | Part No | Mfg | Description | ![]() |
Pricing (USD) |
Quantity | ||||||||||||
|---|---|---|---|---|---|---|---|---|---|---|---|---|---|---|---|---|---|---|
![]() |
![]() TLV320AIC28IRGZ |
![]() Texas Instruments |
![]() Audio CODECs Lo-Pwr Stereo Codec |
![]() Data Sheet |
![]()
|
|
||||||||||||
![]() |
![]() TLV320AIC28IRGZG4 |
![]() Texas Instruments |
![]() Audio CODECs Lo-Pwr Stereo Codec |
![]() Data Sheet |
![]()
|
|
||||||||||||
![]() |
![]() TLV320AIC28IRGZRG4 |
![]() Texas Instruments |
![]() Audio CODECs Lo-Pwr Stereo Codec |
![]() Data Sheet |
![]()
|
|
||||||||||||
![]() |
![]() TLV320AIC28IRGZR |
![]() Texas Instruments |
![]() Audio CODECs Lo-Pwr Stereo Codec |
![]() Data Sheet |
![]()
|
|
||||||||||||
(China (Mainland))









