Product Summary
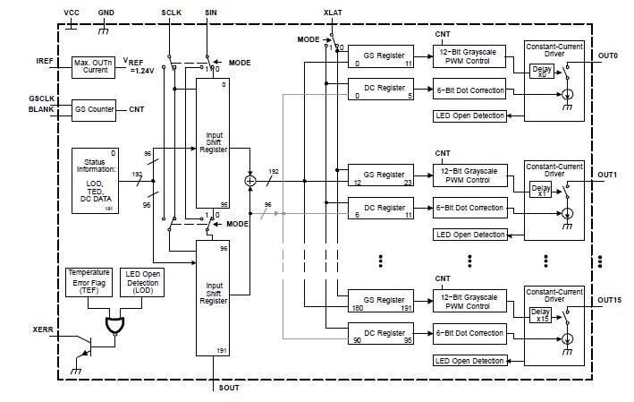
The TLC5941RHBT is a 16-channel, constant-current sink, LED driver. Each channel has an individually adjustable 4096-step grayscale PWM brightness control and a 64-step constant-current sink (dot correction). The dot correction adjusts the brightness variations between LED channels and other LED drivers. Both grayscale control and dot correction are accessible via a serial interface. A single external resistor sets the maximum current value of all 16 channels. The TLC5941RHBT features two error information circuits. The LED open detection (LOD) indicates a broken or disconnected LED at an output terminal. The thermal error flag (TEF) indicates an overtemperature condition. The applications of the TLC5941RHBT include Monocolor, Multicolor, Full-Color LED Displays, LED Signboards, Display Back-lighting.
Parametrics
TLC5941RHBT absolute maximum ratings: (1)VI, Input voltage range(2) VCC: -0.3 V to 6 V; (2)IO, Output current (dc): 90 mA; (3)VI, Input voltage range V(BLANK), V(SCLK), V(XLAT), V(MODE): -0.3 V to VCC +0.3 V; (4)VO, Output voltage range, V(SOUT), V(XERR): -0.3 V to VCC +0.3 V; V(OUT0) to V(OUT15): -0.3 V to 18 V; (5)ESD, rating, HBM (JEDEC JESD22-A114, Human Body Model): 2 kV; CDM (JEDEC JESD22-C101, Charged Device Model): 500 V; (6)Tstg, Storage temperature range: -55℃ to 150℃; (7)TA, Operating ambient temperature range: -40℃ to 85℃; (8)Package thermal impedance(3), HTSSOP (PWP)(4): 31.58℃/W; QFN (RHB)(4): 35.9℃/W; PDIP (NT): 48℃/W.
Features
TLC5941RHBT features: (1)16 Channels; (2)12-bit (4096 Steps) Grayscale PWM Control; (3)Dot Correction, 6 bit (64 Steps); (4)Drive Capability (Constant-Current Sink), 0 mA to 80 mA; (5)LED Power Supply Voltage up to 17 V; (6)VCC = 3.0 V to 5.5 V; (7)Serial Data Interface, SPI Compatible; (8)Controlled In-Rush Current; (9)30-MHz Data Transfer Rate; (10)CMOS Level I/O; (11)Error Information, LOD: LED Open Detection; TEF: Thermal Error Flag.
Diagrams

| Image | Part No | Mfg | Description | ![]() |
Pricing (USD) |
Quantity | ||||||||||||
|---|---|---|---|---|---|---|---|---|---|---|---|---|---|---|---|---|---|---|
![]() |
![]() TLC5941RHBT |
![]() Texas Instruments |
![]() LED Display Drivers 16 Channel LED Driver |
![]() Data Sheet |
![]()
|
|
||||||||||||
![]() |
![]() TLC5941RHBTG4 |
![]() Texas Instruments |
![]() LED Display Drivers 16 Channel LED Driver |
![]() Data Sheet |
![]()
|
|
||||||||||||
(China (Mainland))









