Product Summary
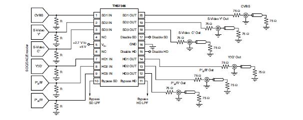
The THS7365IPW is a 6-Channel Video Amplifier with 3-SD and 3-HD Sixth-Order Filters and 6-dB Gain. Fabricated using the revolutionary, complementary Silicon-Germanium (SiGe) BiCom3X process, the THS7365IPW is a low-power, single-supply, 2.7-V to 5-V, six-channel integrated video buffer. It incorporates three standard-definition (SDTV) and three high-definition (HDTV) filter channels. The filter features bypassable sixth-order Butterworth filter characteristics that are useful as digital-to-analog converter (DAC) reconstruction filters or as analog-to-digital converter (ADC) anti-aliasing filters. The applications of the THS7365IPW include Set Top Box Output Video Buffering, PVR/DVDR/BluRay Output Buffering, Low-Power Video Buffering.
Parametrics
THS7365IPW absolute maximum ratings: (1)Supply voltage, VS+ to GND: 5.5 V; (2)Input voltage, VI: -0.4 to VS+ V; (3)Output current, IO: ±90 mA; (4)Continuous power dissipation See the Dissipation Ratings Table; (5)Maximum junction temperature, any condition(2), TJ: +150℃; (6)Maximum junction temperature, continuous operation, long-term reliability(3), Tj: +125℃; (7)Storage temperature range, TSTG: -60 to +150℃; (8)Lead temperature 1,6 mm (1/16 inch) from case for 10 seconds: +300℃; (9)ESD rating: Human body model (HBM): 4000 V; Charge device model (CDM): 1000 V; Machine model (MM): 200 V.
Features
THS7365IPW features: (1)Three SDTV Video Amplifiers for CVBS, S-Video, Y’/P’B/P’R, 480i/576i, Y’U’V’, or R’G’B’; (2)Three HDTV Video Amplifiers for Y’/P’B/P’R, 720p/1080i/1080p30, or G’B’R’ (R’G’B’); (3)Bypassable Sixth-Order Low-Pass Filters: SD Channels: –3 dB at 9.5-MHz; HD Channels: –3 dB at 36-MHz; (4)Versatile Input Biasing: DC-Coupled with 300-mV Output Shift; AC-Coupled with Sync-Tip Clamp; AC-Coupling with Biasing; (5)Built-in 6-dB Gain (2 V/V); (6)+2.7-V to +5-V Single-Supply Operation; (7)Rail-to-Rail Output: Output Swings Within 100 mV from the Rails: Allows AC or DC Output Coupling; Supports Driving Two Video Lines/Channel; (8)Low Total Quiescent Current: 20.7 mA at 3.3 V; (9)Disabled Supply Current Function: 0.1 mA; (10)Low Differential Gain/Phase: 0.2%/0.3°; (11)RoHS-Compliant Package: TSSOP-20.
Diagrams

| Image | Part No | Mfg | Description | ![]() |
Pricing (USD) |
Quantity | ||||||||||||
|---|---|---|---|---|---|---|---|---|---|---|---|---|---|---|---|---|---|---|
![]() |
![]() THS7365IPW |
![]() Texas Instruments |
![]() Video Amplifiers 6Ch Video Amp |
![]() Data Sheet |
![]()
|
|
||||||||||||
![]() |
![]() THS7365IPWR |
![]() Texas Instruments |
![]() Video Amplifiers 6Ch Video Amp |
![]() Data Sheet |
![]()
|
|
||||||||||||
(China (Mainland))









