Product Summary
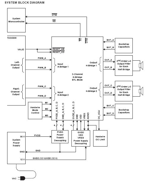
The TAS5152DKD is a third-generation, high-performance, integrated stereo digital amplifier power stage with improved protection system. The TAS5152DKD is capable of driving a 4Ω bridge-tied load (BTL) at up to 125 W per channel with low integrated noise at the output, low THD+N performance, and low idle power dissipation. The applications of the TAS5152DKD include Mini/Micro Audio System, DVD Receiver, Home Theater.
Parametrics
TAS5152DKD absolute maximum ratings: (1)VDD to AGND: –0.3 V to 13.2 V; (2)GVDD_X to AGND: –0.3 V to 13.2 V; (3)PVDD_X to GND_X (2): –0.3 V to 50 V; (4)OUT_X to GND_X (2): –0.3 V to 50 V; (5)BST_X to GND_X (2): –0.3 V to 63.2 V; (6)VREG to AGND:–0.3 V to 4.2 V; (7)GND_X to GND: –0.3 V to 0.3 V; (8)GND_X to AGND: –0.3 V to 0.3 V; (9)GND to AGND: –0.3 V to 0.3 V; (10)PWM_X, OC_ADJ, M1, M2, M3 to AGND: –0.3 V to 4.2 V; (11)RESET_X, SD, OTW to AGND: –0.3 V to 7 V; (12)Maximum continuous sink current (SD, OTW): 9mA; (13)Maximum operating junction temperature range, TJ: 0 to 125℃; (14)Storage temperature: –40 to 125℃; (15)Lead temperature, 1,6 mm (1/16 inch) from case for 10 seconds: ; (16)260℃; (17)Minimum pulse width low: 50ns.
Features
TAS5152DKD features: (1)2×125 W at 10% THD+N Into 4Ω BTL; (2)2×98 W at 10% THD+N Into 6Ω BTL; (3)2×76 W at 10% THD+N Into 8Ω BTL; (4)4×45 W at 10% THD+N Into 3Ω SE; (5)4×35 W at 10% THD+N Into 4Ω SE; (6)1×192 W at 10% THD+N Into 3Ω PBTL; (7)1×240 W at 10% THD+N Into 2Ω PBTL; (8)>100 dB SNR (A-Weighted); (9)<0.1% THD+N at 1 W; (10)Thermally Enhanced Package Option: DKD (36-Pin PSOP3); (11)High-Efficiency Power Stage (>90%) With 140mΩ Output MOSFETs; (12)Power-On Reset for Protection on Power Up Without Any Power Supply Sequencing; (13)Integrated Self-Protection Circuits Including: Undervoltage, Overtemperature, Overload, Short Circuit; (14)Error Reporting; (15)EMI Compliant When Used With Recommended System Design; (16)Intelligent Gate Drive.
Diagrams

| Image | Part No | Mfg | Description | ![]() |
Pricing (USD) |
Quantity | ||||||||||||
|---|---|---|---|---|---|---|---|---|---|---|---|---|---|---|---|---|---|---|
![]() |
![]() TAS5152DKD |
![]() Texas Instruments |
![]() Audio Amplifiers Stereo 125W Powerstage |
![]() Data Sheet |
![]()
|
|
||||||||||||
![]() |
![]() TAS5152DKDG4 |
![]() Texas Instruments |
![]() Audio Amplifiers Stereo 125W Powerstage |
![]() Data Sheet |
![]()
|
|
||||||||||||
![]() |
![]() TAS5152DKDR |
![]() Texas Instruments |
![]() Audio Amplifiers Stereo 125W Powerstage |
![]() Data Sheet |
![]()
|
|
||||||||||||
![]() |
![]() TAS5152DKDRG4 |
![]() Texas Instruments |
![]() Audio Amplifiers Stereo 125W Powerstage |
![]() Data Sheet |
![]()
|
|
||||||||||||
(China (Mainland))









