Product Summary
The SN65HVD10D is a 3.3-V RS-485 transceiver. It combines a 3-state differential line driver and differential input line receiver that operate with a single 3.3-V power supply. The SN65HVD11DR is designed for balanced transmission lines and meet or exceed ANSI standard TIA/EIA-485-A and ISO 8482:1993. The SN65HVD10D has active-high and active-low enables respectively, that can be externally connected together to function as direction control. The driver differential outputs and receiver differential inputs connect internally to form a differential input/output (I/O) bus port that is designed to offerminimum loading to the bus whenever the driver is disabled or V CC = 0. The typical applications of SN65HVD10D include: (1)Digital Motor Control; (2)Utility Meters; (3)Chassis-to-Chassis Interconnects; (4)Electronic Security Stations; (5)Industrial Process Control; (6)Building Automation; (7)Point-of-Sale (POS) Terminals and Networks.
Parametrics
SN65HVD10D absolute maximum ratings: (1)VCC, Supply voltage range: –0.3 V to 6 V; (2)Voltage range at A or B: –9 V to 14 V; (3)Input voltage range at D, DE, R or RE: –0.5 V to VCC + 0.5 V; (4)Voltage input range, transient pulse, A and B, through 100 Ω: –50 V to 50 V; (5)IO, Receiver output current: –11 mA to 11 mA; (6)Electrostatic discharge, human body model, A, B and GND: ±16kV; all pins: ±24kV; charged-device model, all pins charge: ±1kV; (7)Electrical Fast Transient/Burst, A, B, and GND: ±4 kV; (8)TJ, Junction temperature: 170℃.
Features
SN65HVD10D features: (1)Operates With a 3.3-V Supply; (2)Bus-Pin ESD Protection Exceeds 16 kV HBM; (3)1/8 Unit-Load Option Available (Up to 256Nodes on the Bus)Optional Driver Output Transition Times for Signaling Rates of 1 Mbps, 10 Mbps, and 32 Mbps; (4)Meets or Exceeds the Requirements of ANSITIA/EIA-485-A; (5)Bus-Pin Short Circuit Protection From – 7 V to 12 V; (6)Low-Current Standby Mode: 1 μ A Typical; (7)Open-Circuit, Idle-Bus, and Shorted-Bus Failsafe Receiver; (8)Thermal Shutdown Protection Glitch-Free Power-Up and Power-Down Protection for Hot-Plugging Applications; (9)SN75176 Footprint.
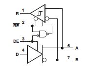
Diagrams

| Image | Part No | Mfg | Description | ![]() |
Pricing (USD) |
Quantity | ||||||||||||
|---|---|---|---|---|---|---|---|---|---|---|---|---|---|---|---|---|---|---|
![]() |
![]() SN65HVD10DG4 |
![]() Texas Instruments |
![]() Bus Transceivers 3.3V Differential Transceivers |
![]() Data Sheet |
![]()
|
|
||||||||||||
![]() |
![]() SN65HVD10DRG4 |
![]() Texas Instruments |
![]() Bus Transceivers 3.3V Differential Transceivers |
![]() Data Sheet |
![]()
|
|
||||||||||||
![]() |
![]() SN65HVD10DR |
![]() Texas Instruments |
![]() Buffers & Line Drivers 3.3V Differential Transceivers |
![]() Data Sheet |
![]()
|
|
||||||||||||
![]() |
![]() SN65HVD10D |
![]() Texas Instruments |
![]() Buffers & Line Drivers 3.3V RS485 |
![]() Data Sheet |
![]()
|
|
||||||||||||
(China (Mainland))









