Product Summary
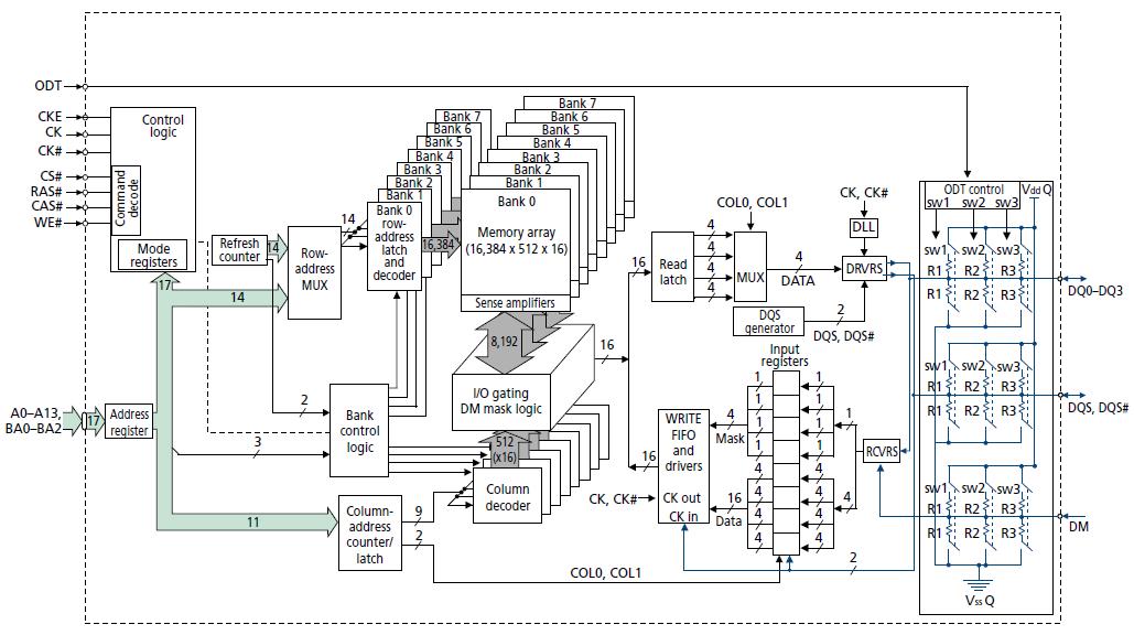
The MT47H128M16RT-25E:C is a DDR2 SDRAM. The MT47H128M16RT-25E:C uses a double data rate architecture to achieve high-speed operation. The double data rate architecture is essentially a 4n-prefetch architecture, with an interface designed to transfer two data words per clock cycle at the I/O balls. A single read or write access for the MT47H128M16RT-25E:C effectively consists of a single 4n-bit-wide, oneclock- cycle data transfer at the internal DRAM core and four corresponding n-bit-wide, one-half-clock-cycle data transfers at the I/O balls. A bidirectional data strobe (DQS, DQS#) is transmitted externally, along with data, for use in data capture at the receiver. DQS is a strobe transmitted by the MT47H128M16RT-25E:C during READs and by the memory controller during WRITEs. DQS is edge-aligned with data for READs and center-aligned with data for WRITEs. The x16 offering has two data strobes, one for the lower byte (LDQS, LDQS#) and one for the upper byte (UDQS, UDQS#).
Parametrics
MT47H128M16RT-25E:C absolute maximum ratings: (1)VDD supply voltage relative to VSS, VDD: -1.0 to 2.3V ; (2)VDDQ supply voltage relative to VSSQ, VDDQ: -0.5 to 2.3V; (3)VDDL supply voltage relative to VSSL, VDDL: -0.5 to 2.3V; (4)Voltage on any ball relative to VSS VIN, VOUT: -0.5 to 2.3V ; (5)Input leakage current; any input 0V ≤ VIN ≤ VDD; all other balls not under test = 0V, II: –5 to 5 μA; (6)Output leakage current; 0V ≤ VOUT ≤ VDDQ; DQ and ODT disabled IOZ: –5 to 5 μA; (7)VREF leakage current; VREF = Valid VREF level, IVREF: –2 to 2μA.
Features
MT47H128M16RT-25E:C features: (1)VDD = +1.8V ±0.1V, VDDQ = +1.8V ±0.1V; (2)JEDEC-standard 1.8V I/O (SSTL_18-compatible); (3)Differential data strobe (DQS, DQS#) option; (4)4n-bit prefetch architecture; (5)Duplicate output strobe (RDQS) option for x8; (6)DLL to align DQ and DQS transitions with CK; (7)8 internal banks for concurrent operation; (8)Programmable CAS latency (CL); (9)Posted CAS additive latency (AL); (10)WRITE latency = READ latency - 1 tCK; (11)Selectable burst lengths (BL): 4 or 8; (12)Adjustable data-output drive strength; (13)64ms, 8192-cycle refresh; (14)On-die termination (ODT); (15)Industrial temperature (IT) option; (16)RoHS-compliant; (17)Supports JEDEC clock jitter specification.
Diagrams

| Image | Part No | Mfg | Description | ![]() |
Pricing (USD) |
Quantity | ||||||||||||||||||||||
|---|---|---|---|---|---|---|---|---|---|---|---|---|---|---|---|---|---|---|---|---|---|---|---|---|---|---|---|---|
![]() |
![]() MT47H128M16RT-25E:C |
![]() |
![]() IC DDR2 SDRAM 128MB 84FBGA |
![]() Data Sheet |
![]()
|
|
||||||||||||||||||||||
| Image | Part No | Mfg | Description | ![]() |
Pricing (USD) |
Quantity | ||||||||||||||||||||||
![]() |
![]() MT470 |
![]() Other |
![]() |
![]() Data Sheet |
![]() Negotiable |
|
||||||||||||||||||||||
![]() |
![]() MT4730NF−UBL |
![]() Other |
![]() |
![]() Data Sheet |
![]() Negotiable |
|
||||||||||||||||||||||
![]() |
![]() MT4730NF−WT |
![]() Other |
![]() |
![]() Data Sheet |
![]() Negotiable |
|
||||||||||||||||||||||
![]() |
![]() MT47H128M16PK-25E IT:C |
![]() |
![]() IC DDR2 SDRAM 2GB 84FBGA |
![]() Data Sheet |
![]()
|
|
||||||||||||||||||||||
![]() |
![]() MT47H128M16RT-25E AIT:C |
![]() |
![]() IC DDR2 SDRAM 2GB 800HZ 84FBGA |
![]() Data Sheet |
![]()
|
|
||||||||||||||||||||||
![]() |
![]() MT47H128M16RT-25E IT:C |
![]() |
![]() IC DDR2 SDRAM 2GB 800HZ 84FBGA |
![]() Data Sheet |
![]()
|
|
||||||||||||||||||||||
(China (Mainland))









