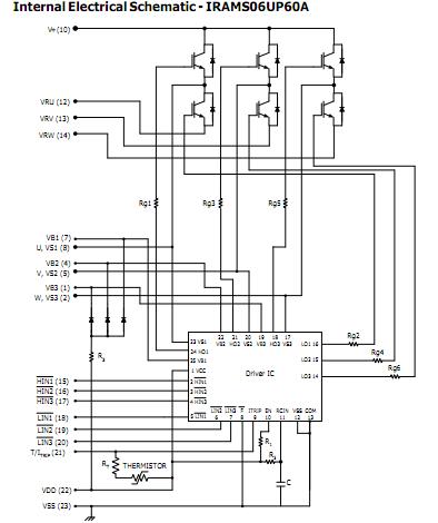
Product Summary
The IRAMS06UP60A is an Integrated Power Module developed and optimized for electronic motor control in appliance applications specifically for VF compressor drives for refrigerators and freezer or in heating and ventilation as electronic fan controls. The IRAMS06UP60A offers an extremely compact, high performance AC motor-driver in a single isolated package for a very simple design. A built-in temperature monitor and over-current protection, along with the short-circuit rated IGBTs and integrated under-voltage lockout function, deliver high level of protection and fail-safe operation. The integration of the bootstrap diodes for the high-side driver section, and the single polarity power supply required to drive the internal circuitry, simplify the utilization of the module and deliver further cost reduction advantages.
Parametrics
IRAMS06UP60A absolute maximum ratings: (1)VCES Maximum IGBT Blocking Voltage: 600V; (2)V+ Positive Bus Input Voltage: 450V; (3)Io @ TC=25℃ RMS Phase Current: 6A; (4)Io @ TC=100℃ RMS Phase Current: 3A; (5)Ipk Maximum Peak Phase Current (tp<100ms): 10A; (6)Fp Maximum PWM Carrier Frequency: 20 kHz; (7)Pd Maximum Power dissipation per Phase: 7.5 W; (8)Viso Isolation Voltage (1min): 2000 VRMS; (9)TJ (IGBT & Diodes) Operating Junction temperature Range: -40 to +150℃; (10)TJ (Driver IC) Operating Junction temperature Range: -40 to +150℃; (11)T Mounting torque Range (M3 screw): 0.8 to 1.0 Nm.
Features
IRAMS06UP60A features: (1)Integrated Gate Drivers and Bootstrap Diodes; (2)Temperature Monitor; (3)Overcurrent shutdown; (4)Fully Isolated Package; (5)Low VCE(on) Non Punch Through IGBT Technology; (6)Undervoltage lockout for all channels; (7)Matched propagation delay for all channels; (8)Schmitt-triggered input logic; (9)Cross-conduction prevention logic; (10)Lower di/dt gate driver for better noise immunity; (11)Motor Power range 0.1~0.5kW / 85~253 Vac; (12)Isolation 2000VRMS /1min.
Diagrams

| Image | Part No | Mfg | Description | ![]() |
Pricing (USD) |
Quantity | ||||||||||||
|---|---|---|---|---|---|---|---|---|---|---|---|---|---|---|---|---|---|---|
![]() |
![]() IRAMS06UP60A |
![]() International Rectifier |
![]() Motor / Motion / Ignition Controllers & Drivers |
![]() Data Sheet |
![]()
|
|
||||||||||||
![]() |
![]() IRAMS06UP60A-2 |
![]() International Rectifier |
![]() Motor / Motion / Ignition Controllers & Drivers |
![]() Data Sheet |
![]()
|
|
||||||||||||
(China (Mainland))









